EasyManua.ls Logo

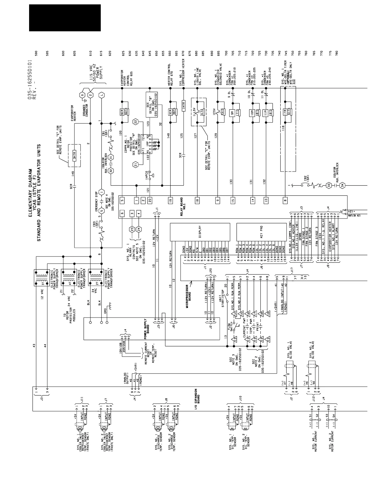
York MILLENIUM YCAS Series - Elementary Diagram - Wye-Delta Start

York MILLENIUM YCAS Series
156 pages
Print Icon
To Next Page IconTo Next Page
To Next Page IconTo Next Page
To Previous Page IconTo Previous Page
To Previous Page IconTo Previous Page
Loading...
64
YORK INTERNATIONAL
FIG. 20 ELEMENTARY DIAGRAM WYE-DELTA START
Technical Data
ELEMENTARY DIAGRAM
Technical Data
ELEMENTARY DIAGRAM
Technical Data

Table of Contents

Related product manuals