EasyManua.ls Logo

York MILLENNIUM - Remote Control Center Installation Details; Installation Notes

York MILLENNIUM
20 pages
Print Icon
To Next Page IconTo Next Page
To Next Page IconTo Next Page
To Previous Page IconTo Previous Page
To Previous Page IconTo Previous Page
Loading...
FORM 201.18-NM1.2
7
YORK INTERNATIONAL
LD02733
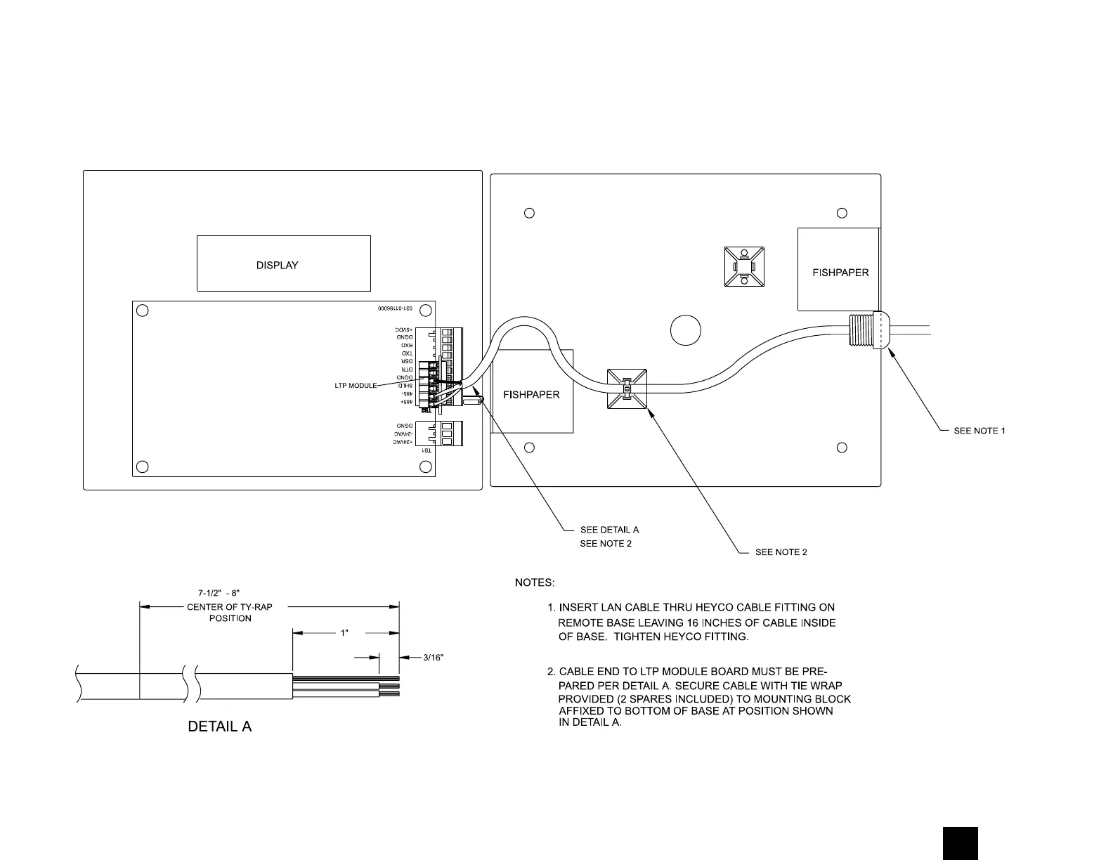
FIG. 2 – REMOTE CONTROL CENTER INSTALLATION DETAILS
RCC HARDWARE AND SETUP CONTD
1

Related product manuals