EasyManua.ls Logo

York MILLENNIUM - Optional Printer Information; Printer Wiring Diagram

York MILLENNIUM
20 pages
Print Icon
To Next Page IconTo Next Page
To Next Page IconTo Next Page
To Previous Page IconTo Previous Page
To Previous Page IconTo Previous Page
Loading...
YORK INTERNATIONAL
8
LD02722
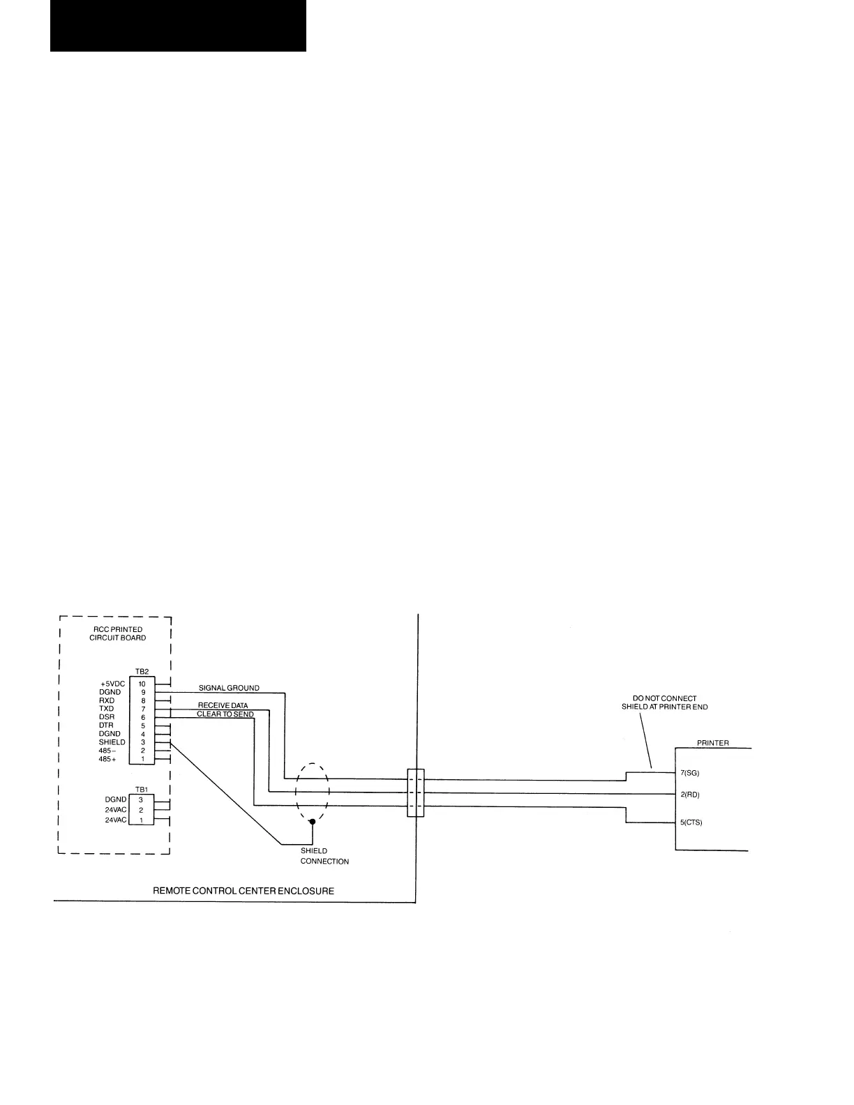
FIG. 3 – PRINTER WIRING
RCC HARDWARE AND SETUP CONTD
PRINTER
The optional printer combined with the RCC option
allows the operator to obtain a remote printout through
the RCC device. The printer to RCC distance should
be limited to 25 ft.
A Weigh-Tronix 1220 Dot Matrix printer, No.
950915576 is recommended. Est. cost $179.40
Cable part 287040018 (25' Long) must also be ordered
also. Est. cost $40. 00
Note: Part of this cable includes a 6" pigtail plug adapter
which connects to screw terminals at TB2 of the RCC,
or to TB8 on the chiller when no RCC is used. Extra
pigtails can be ordered and then left in the chiller to
allow quick printer connect/disconnect feature. Order
extra adapter 957012582. Cost is $10.
Printer specs: Default settings are 1200 Baud, 8 data bits,
no parity, 1500 character buffer. Replacement paper: Std.
adding machine, non-thermal, 2-1/4W x 2-3/4D, inner
roll is .44" ID; No. 223350026. Replacement Ribbon:
Recommend change every second roll of paper: Epson
ERC-09; No. 223320029. Weight-Tronix has a
‘Handipak’ combination which includes 4 rolls and 2
ribbons at approx. $11.50.
Printer and parts are sold through Weigh-Tronix only.
Contact information:
Weigh-Tronix, Inc.
2320 Airport Blvd.
Santa Rosa, CA 95403
Ph. 1-800-982-6622 Domestic
Fax 1-800-847-6743 Domestic
Ph. +1 707-527-5555 International
Fax +1 707-579-0180 International
Note: Prices reflect 1999 and may change with time.
RCC Hardware and Setup

Related product manuals