EasyManua.ls Logo

York YLAA0200 - Page 65

York YLAA0200
178 pages
Print Icon
To Next Page IconTo Next Page
To Next Page IconTo Next Page
To Previous Page IconTo Previous Page
To Previous Page IconTo Previous Page
Loading...
JOHNSON CONTROLS
65
SECTION 5 – TECHNICAL DATA
FORM 150.72-ICOM6
ISSUE DATE: 12/29/2017
55
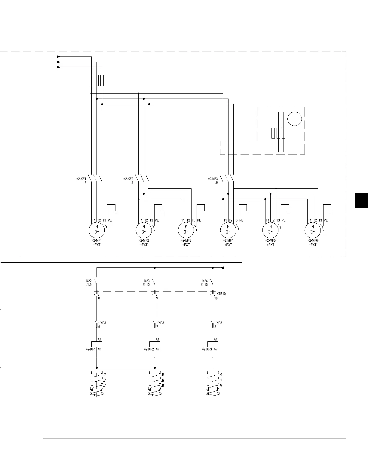
FIGURE 16 - FAN WIRING, STANDARD AIR FLOW (CONT’D)
LD21181a
2/1.2
X/2.8
1L1/1.1
1L2/1.1
1L3/1.1
6
5
4
3
2
1
6
5
4
3
2
1
6
5
4
3
2
1
=1-F4
-AMB
NB21
350
351
352
150
151
152
GND GND
GND
GND GND GND
153
154
155
156
157
158
153
154
155
156
157
158
156
157
158
=1-F5
1L1
1L2
1L3
NB27
362
361
360
NB15
1L1
1L2
1L3
127
128
129
2
LD21181b
Y/2.8
2L1/1.5
2L2/1.5
2L3/1.5
6
5
4
3
2
1
6
5
4
3
2
1
6
5
4
3
2
1
=2-F4
450
451
453
GND GND GND GND
250
251
252
256
257
258
256
257
258
=2-F5
NB27
2L1
2L2
2L3
462
461
460
227
228
229
2L1
2L2
2L3
GND GND
253
254
255
256
257
258
253
254
255

Table of Contents

Related product manuals