EasyManua.ls Logo

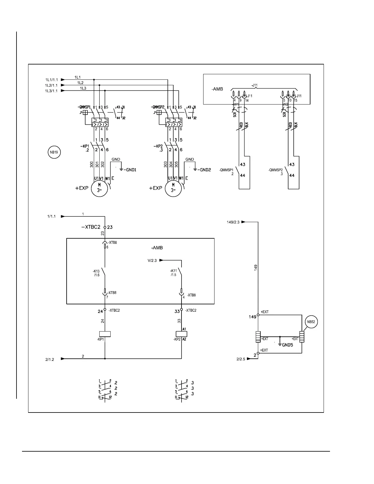
York YLAA0200 - FIGURE 19 - Pump Wiring

York YLAA0200
178 pages
Print Icon
To Next Page IconTo Next Page
To Next Page IconTo Next Page
To Previous Page IconTo Previous Page
To Previous Page IconTo Previous Page
Loading...
JOHNSON CONTROLS
70
FORM 150.72-ICOM6
ISSUE DATE: 12/29/2017
SECTION 5 – TECHNICAL DATA
FIGURE 19 - PUMP WIRING
PUMP WIRING
/'
035-21583-105 REV E
DWG. 5

Table of Contents

Related product manuals