EasyManua.ls Logo

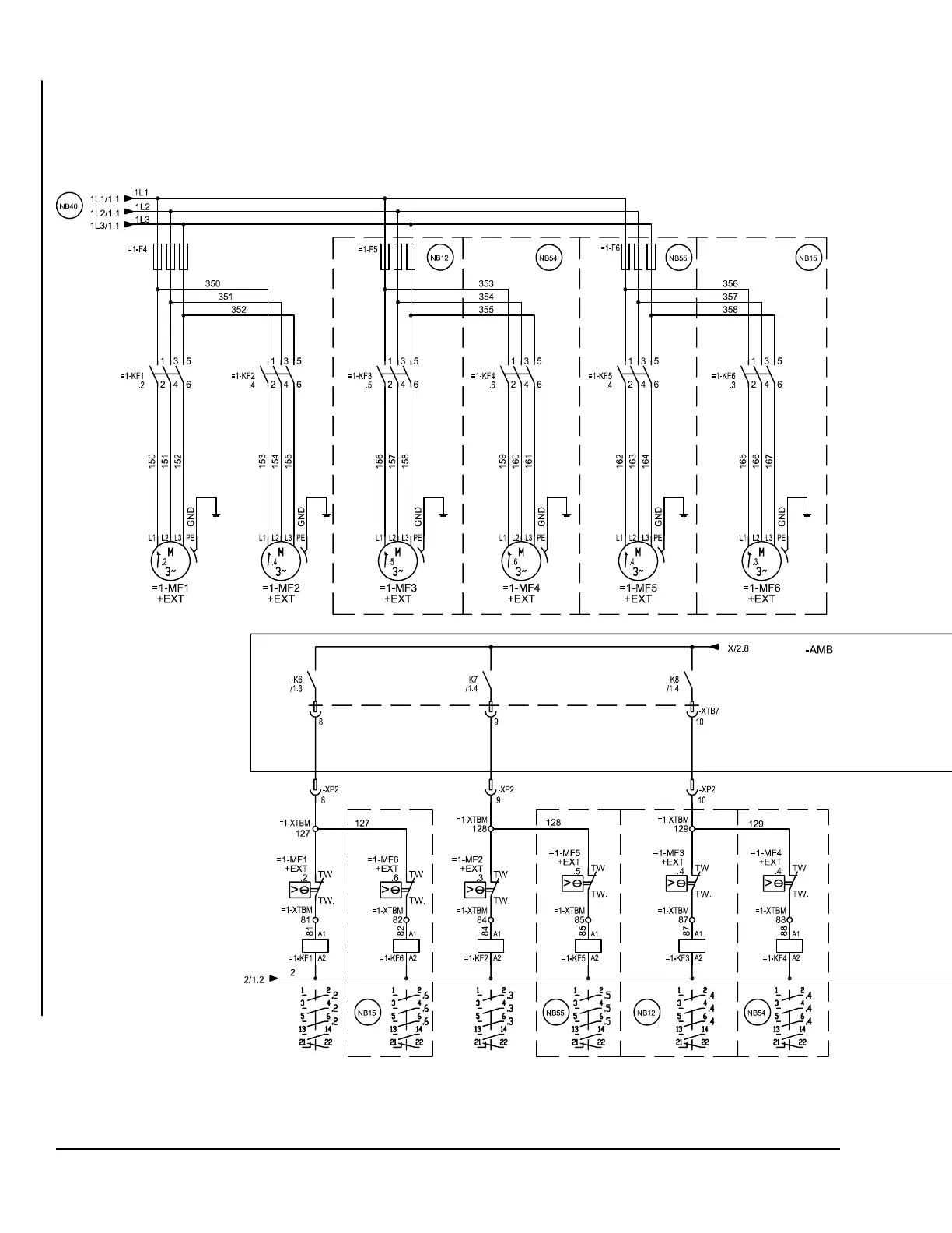
York YLAA0200 - FIGURE 17 - Fan Wiring, High Air Flow

York YLAA0200
178 pages
Print Icon
To Next Page IconTo Next Page
To Next Page IconTo Next Page
To Previous Page IconTo Previous Page
To Previous Page IconTo Previous Page
Loading...
JOHNSON CONTROLS
66
FORM 150.72-ICOM6
ISSUE DATE: 12/29/2017
SECTION 5 – TECHNICAL DATA
FIGURE 17 - FAN WIRING, HIGH AIR FLOW
FAN WIRING
035-21583-118 REV F
LD21180a

Table of Contents

Related product manuals