EasyManua.ls Logo

York YLAA0200 - Page 67

York YLAA0200
178 pages
Print Icon
To Next Page IconTo Next Page
To Next Page IconTo Next Page
To Previous Page IconTo Previous Page
To Previous Page IconTo Previous Page
Loading...
JOHNSON CONTROLS
67
SECTION 5 – TECHNICAL DATA
FORM 150.72-ICOM6
ISSUE DATE: 12/29/2017
55
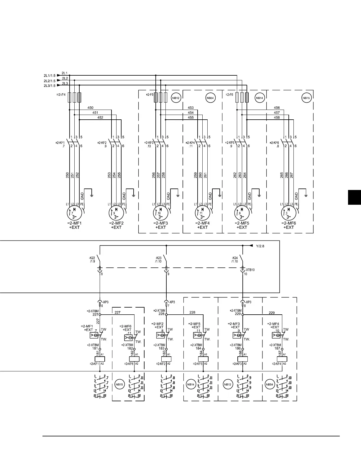
FIGURE 17 - FAN WIRING, HIGH AIR FLOW (CONT’D)
LD21180a
LD21180b

Table of Contents

Related product manuals