EasyManua.ls Logo

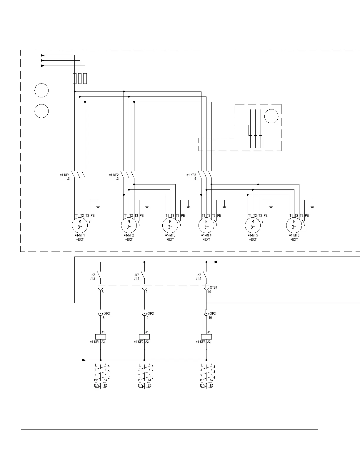
York YLAA0200 - FIGURE 16 - Fan Wiring, Standard Air Flow

York YLAA0200
178 pages
Print Icon
To Next Page IconTo Next Page
To Next Page IconTo Next Page
To Previous Page IconTo Previous Page
To Previous Page IconTo Previous Page
Loading...
JOHNSON CONTROLS
64
FORM 150.72-ICOM6
ISSUE DATE: 12/29/2017
SECTION 5 – TECHNICAL DATA
FIGURE 16 - FAN WIRING, STANDARD AIR FLOW
FAN WIRING
035-21583-125 REV - A
LD21181a
2/1.2
X/2.8
1L1/1.1
1L2/1.1
1L3/1.1
6
5
4
3
2
1
6
5
4
3
2
1
6
5
4
3
2
1
=1-F4
-AMB
NB21
350
351
352
150
151
152
GND GND
GND
GND GND GND
153
154
155
156
157
158
153
154
155
156
157
158
156
157
158
=1-F5
1L1
1L2
1L3
NB27
362
361
360
NB15
1L1
1L2
1L3
127
128
129
2

Table of Contents

Related product manuals