EasyManua.ls Logo

ZOJE 1900D - Page 55

ZOJE 1900D
55 pages
Print Icon
To Previous Page IconTo Previous Page
To Previous Page IconTo Previous Page
Loading...
51
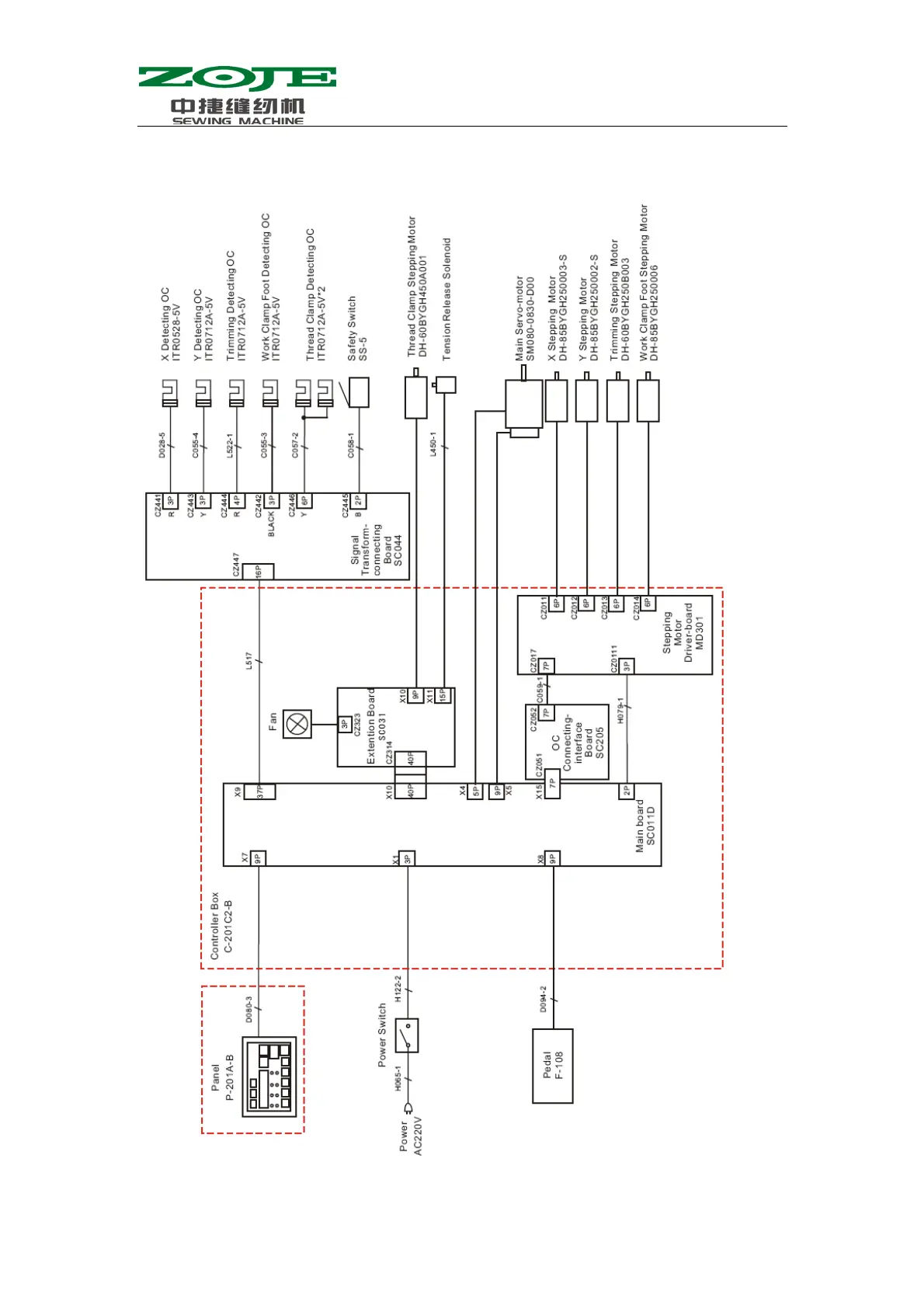
6.2 System Diagram