EasyManua.ls Logo

Zoom AMS-22 - Mixer Diagram

Zoom AMS-22
33 pages
Print Icon
To Next Page IconTo Next Page
To Next Page IconTo Next Page
To Previous Page IconTo Previous Page
To Previous Page IconTo Previous Page
Loading...
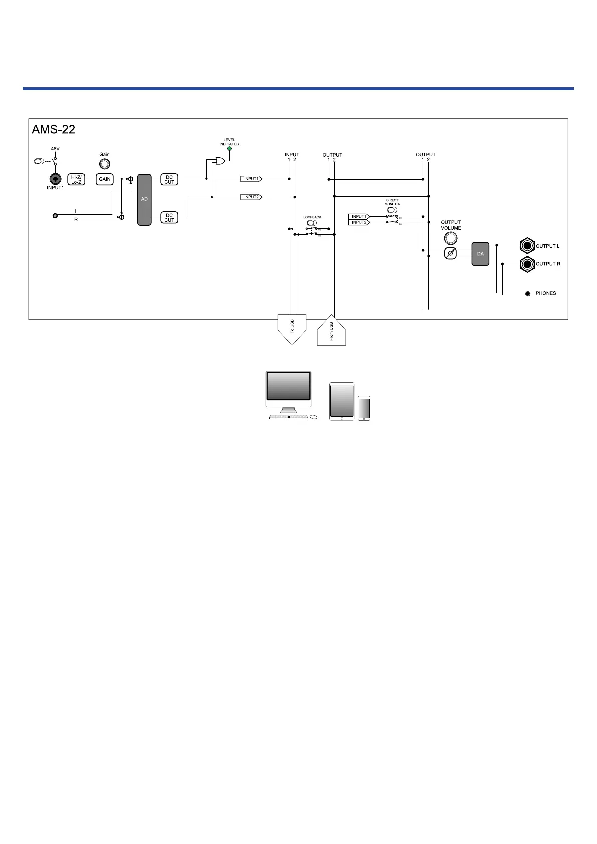
Mixer diagram
27

Other manuals for Zoom AMS-22

Related product manuals