EasyManua.ls Logo

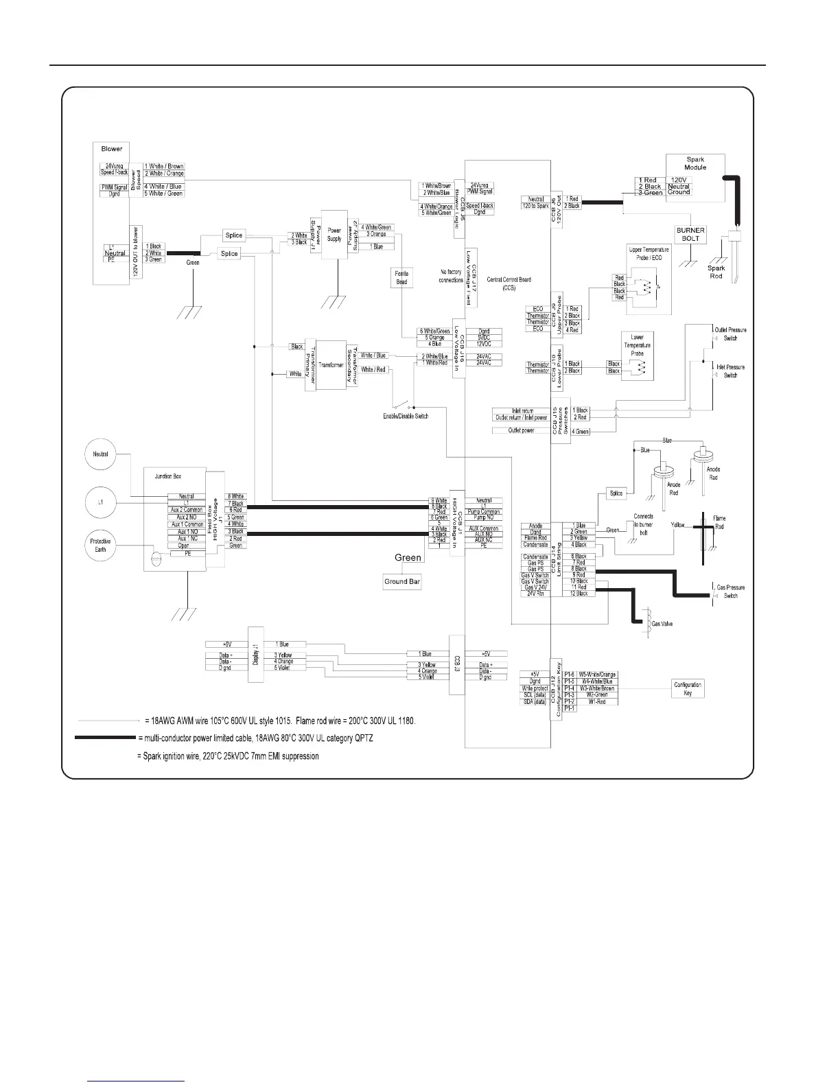
A.O. Smith BTH 300 - WIRING DIAGRAM; Figure 58

A.O. Smith BTH 300
76 pages
Print Icon
To Next Page IconTo Next Page
To Next Page IconTo Next Page
To Previous Page IconTo Previous Page
To Previous Page IconTo Previous Page
Loading...
66
WIRING DIAGRAM
Figure 58

Table of Contents

Other manuals for A.O. Smith BTH 300

Related product manuals