EasyManua.ls Logo

AAON Orion ASM02221 - Connecting a Remote Sensor

AAON Orion ASM02221
20 pages
Print Icon
To Next Page IconTo Next Page
To Next Page IconTo Next Page
To Previous Page IconTo Previous Page
To Previous Page IconTo Previous Page
Loading...
E-BUS Digital Room Sensor Technical Guide
APPENDIX
15
Connecting a Remote Sensor
Connecting a Remote Sensor
If the job requires this Sensor to be mounted outside of a conditioned
space, a remote Standard Space Sensor (ASM02227) or Return Air Tem-
perature Sensor (P87140), or any 2-wire 10K Ohm, Type III thermistor
temperature sensor can be hard-wired to the E-BUS Digital Room Sen-
sor. Other versions of the AAON standard space sensors (ASM01638,
ASM01642, ASM01643) with slide adjust and/or override button should
not be used as the remote sensor.
Contact AAON Controls for wiring information if a four sensor averag-
ing array will be used as the “remote sensor”.
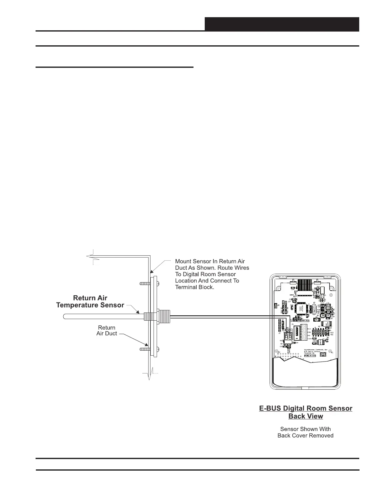
See Figure 21 for Return Air Temperature Sensor wiring. See Figure
22, page 16 for Space Sensor wiring.
E-BUS Digital Room Temperature Only Sensor
Disconnect the modular cable from the E-BUS Digital Room Sensor
before performing the following modifi cations.
If using the Temperature Only version of the Digital Room Sensor, you
must fi rst remove the Sensors back cover. You will see a loop of wire
hanging off of the sensor circuit board. See Figure 23, page 17. This is
the external thermistor loop wire. Clip the external thermistor loop wire
so that the sensor will read the remote temperature input. Be sure to cut
Figure 21: Return Air Temperature Sensor Wiring
the ends of the wire close to the circuit board so that the sensor loop wire
ends won’t short between each other. The remote sensor then wires to the
remote sensor terminal block on the back of the Digital Room Sensor.
If using the Standard Space Sensor as the remote sensor, you must clip
off the C1 capacitor from the back of the Sensor Be sure to cycle power
to begin reading the remote sensor. See Figure 22, page 16.
E-BUS Digital Room Temperature and Humidity
Sensor
Disconnect the modular cable from the Digital Room Sensor before
performing the following modifi cations.
If using the Temperature and Humidity versions of the Digital Room
Sensor, you only need to wire the remote sensor to the remote sensor
terminal block on the Digital Room Sensor. DO NOT CLIP OFF OR
REMOVE the temperature/humidity sensor element on the Digital
Room Sensor. See Figure 24, page 17. When the remote temperature
sensor is wired in, it will override the on-board temperature value of the
Digital Room Sensor, even though the sensor element remains attached.
If using a Standard Space Sensor as the remote sensor, you must clip off
the C1 capacitor from the back of the sensor. Be sure to cycle power to
begin reading the remote sensor. See Figure 22, page 16.

Related product manuals