EasyManua.ls Logo

ABB 600T Series - TRIM Menu Operations; RERANG; OUTTRIM; SNSZERO

ABB 600T Series
16 pages
Print Icon
To Next Page IconTo Next Page
To Next Page IconTo Next Page
To Previous Page IconTo Previous Page
To Previous Page IconTo Previous Page
Loading...
- 10 -
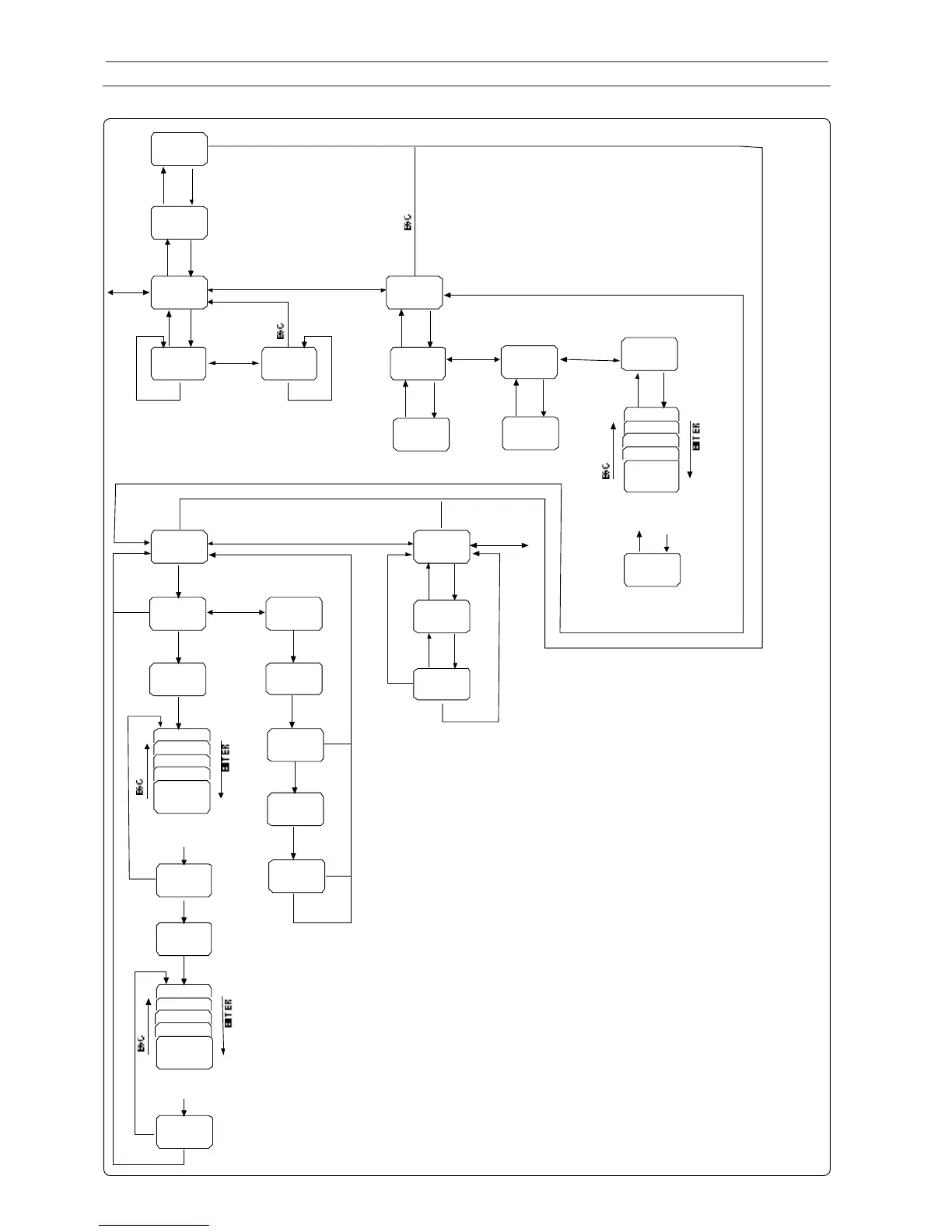
Fig. 9 - TRIM menu
TRIM
LOOP
IN_MAN.
ESC
ENTER
NEXT
PREV
ESC ENTER
RERANG.
ESC
ENTER
0.000
SET 4 mA
NEXT PREV
LOOPTST
ESC
ENTER
4 mA
NEXT PREV
20 mA
ESC
ENTER
20.000
OUT mA
NEXT
PREV
OUTTRIM
ENTER
SNSZERO
ENTER
APPL Y PV
ESC
NEXT PREV
ENTER
40.000
SET 20 mA
ENTER
ESC
ENTER
4.000
OUT mA
NEXT
PREV
OTHER
ESC
10.000
ENTER
12.000
12.000
12.000
12.000
SEL OUT
12000
OUT mA
ENTER
MANUAL
ENTER
SET 4mA
ENTER
04.000
04.000
04.000
04.000
04.000
REF V AL
4.000
REF - TX?
ENTER
SET20 mA
ENTER
ENTER
20.000
20.000
20.000
20.000
20.000
REF V AL
20.000
REF = TX?
ENTER
ENTER
AUT O
SET 4mA
4.001
TRIM ?
ENTER
ENTER
NEXT PREV
ENTER
ENTER
ENTER
0.050
KP A
ESC
ENTER
ESC
NEXT
PREV
ESC
ESC
ESC
ESC
ESC
ESC
NEXT PREV
SET 20mA
20.000
TRIM ?
ENTER
ENTER
ESC
ESC
. . . CALIBRATION PROCEDURE
NEXT PREV
TO MODIFY DIGIT,
DECIMAL POINT,
MINUS SIGN
NEXT PREV TO MODIFY DIGIT,
DECIMAL POINT, MINUS SIGN
NEXT PREV TO MODIFY DIGIT,
DECIMAL POINT, MINUS SIGN

Related product manuals