EasyManua.ls Logo

ABB ACS 501 - Page 25

ABB ACS 501
80 pages
Print Icon
To Next Page IconTo Next Page
To Next Page IconTo Next Page
To Previous Page IconTo Previous Page
To Previous Page IconTo Previous Page
Loading...
Chapter 3 – Installation Instructions
3-4 ACS 501 Installation & Start-up Manual
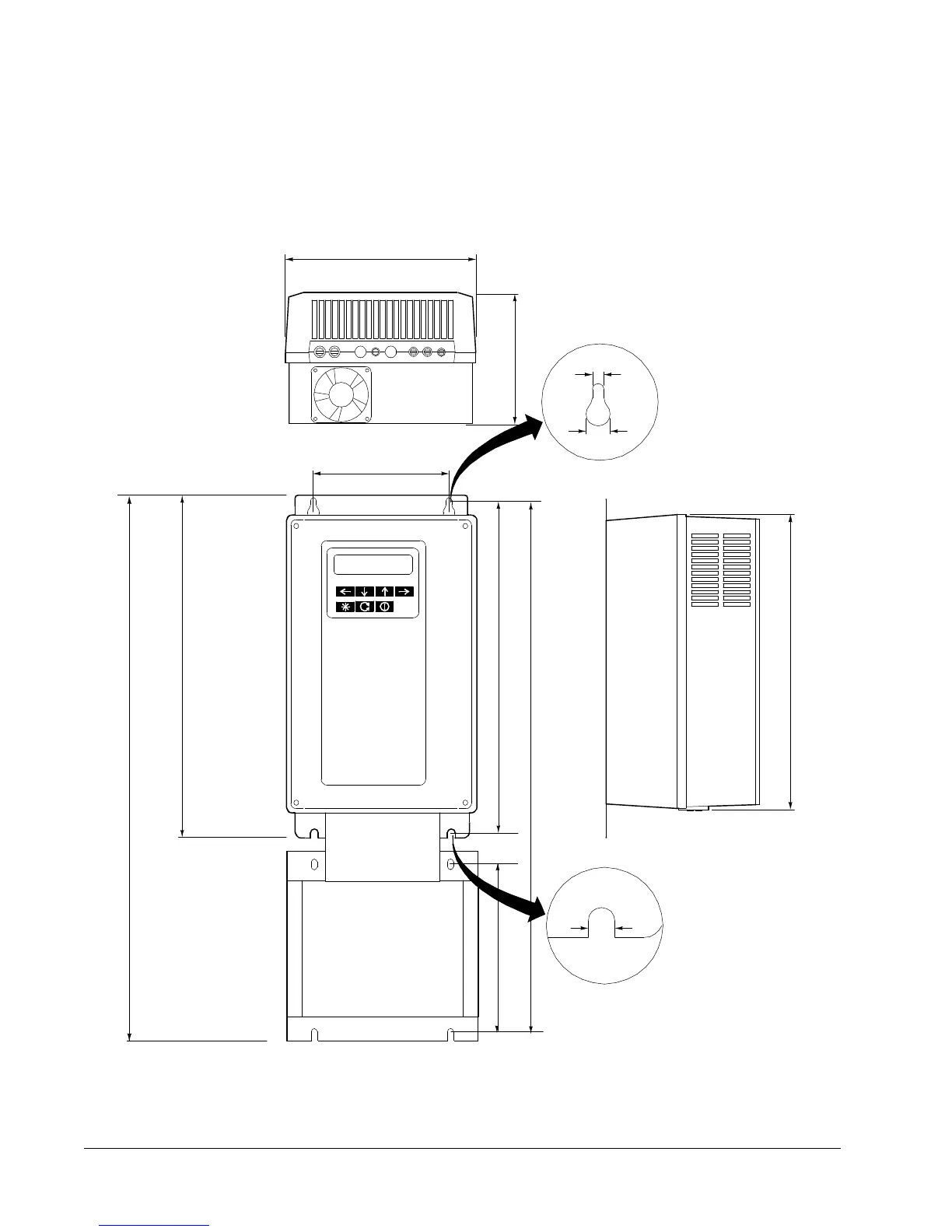
Figure 3-2 shows the ACS 501 with dimensions coded by letters. Table 3-3
lists the actual dimensions for each ACS 501 unit. The table shows
dimensions in inches and mm.
Figure 3-2 ACS 501 Dimensions
Side
C
D
a
H
H2
b
W1
W
H1
Bottom
Front
Ht
Ht1
Ht2

Table of Contents