EasyManua.ls Logo

ABB ATS021 - Control Circuit Diagram and Explanation

ABB ATS021
36 pages
Print Icon
To Next Page IconTo Next Page
To Next Page IconTo Next Page
To Previous Page IconTo Previous Page
To Previous Page IconTo Previous Page
Loading...
Installation and operating instructions, ATS021
1SDH000759R0002, L4106
24
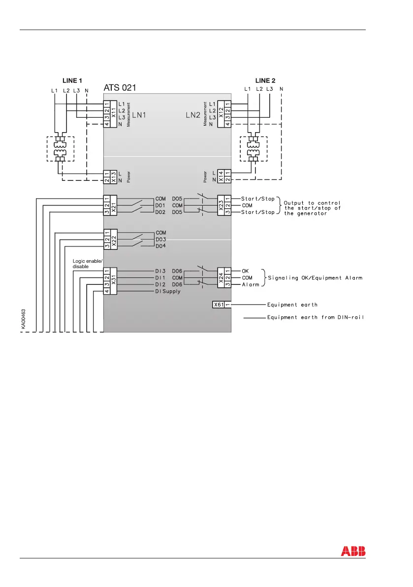
6.2.1 Control circuit of the automatic transfer switch ATS021
6. Connecting
Figure 6.3 Control circuit diagram ATS021

Related product manuals