EasyManua.ls Logo

ABB Comem OLI - Comem L140; Radial; Axial

ABB Comem OLI
24 pages
Print Icon
To Next Page IconTo Next Page
To Next Page IconTo Next Page
To Previous Page IconTo Previous Page
To Previous Page IconTo Previous Page
Loading...
6
LIQUID LEVEL INDICATOR - INSTRUCTION MANUAL
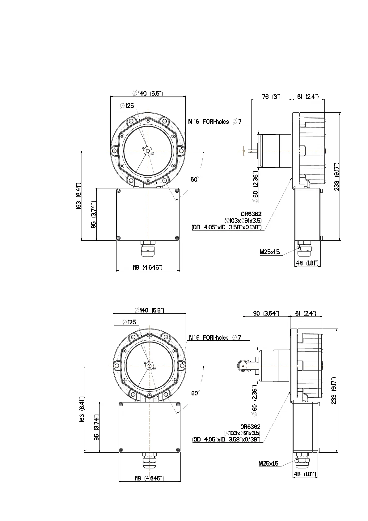
2.4 Comem L140
2.4.1 Radial
2. Drawings
2.4.2 Axial
Figure 7
Figure 8

Related product manuals