EasyManua.ls Logo

ABB DPA UPScale ST80 - Generator on Facilities; Remote Shutdown

ABB DPA UPScale ST80
129 pages
Print Icon
To Next Page IconTo Next Page
To Next Page IconTo Next Page
To Previous Page IconTo Previous Page
To Previous Page IconTo Previous Page
Loading...
Modifications reserved
Page 54/79
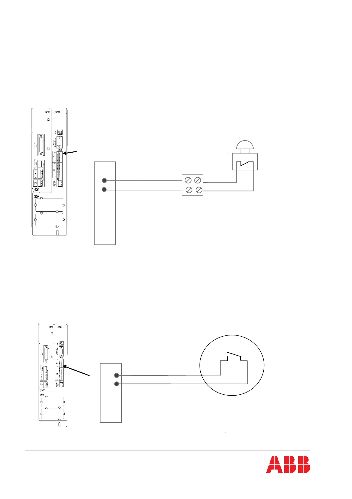
7.2.1 Remote shutdown
The REMOTE SHUT DOWN
must
use a normally closed contact, which opens to operate the remote
shut down sequence.
The remote shutdown on terminal port X1/7.. X1/8 is located at the bottom of the
DPA UPSCALE
TM
frame on communication card with terminal blocks X. See chapter 6.4.3 for details.
In order to allow removal, maintenance or testing of any remote shut down facility without disturbing
the normal operation of the UPS, it is recommended that a terminal block, with linking facilities, be
installed between the UPS and the stop button.
1. Use a screened cable with 1 pair (section of wires 0.5 mm
2
) and maximum length of 100 m.
2. Connect the cable as shown in Fig. 7.2.1-1
REMOTE SHUT DOWN SWITCH
(N.C. = Normally Closed)
UPS
Remote shut down
(X1)
Terminal Block
Fig 7.2.1-1: Remote shutdown
7.2.2 Generator ON facilities
The Generator ON facility must use a normally open contact that closes to indicate that a generator is
running and supplying input power to the UPS. It is located at the bottom of the
DPA UPSCALE
TM
frame on the communication card with terminal blocks X1 …X2. See chapter 6.4.3 for details.
When used, this facility disables the UPS static bypass and prevents the UPS from transferring the
load onto the generator power supply.
Generator alarm panel
UPS
Generator port
X1
Fig 7.2.2-1: Generator ON facilities
X 1 X2
X1/7
X1/8
X1/1
X1/2
X 1 X2

Table of Contents

Related product manuals