EasyManua.ls Logo

ABB EM01 - Control Circuit for NR-DOL;RCU Starter (for M101); Control Circuit for NR-DOL;RCU Starter (for M102)

ABB EM01
99 pages
Print Icon
To Next Page IconTo Next Page
To Next Page IconTo Next Page
To Previous Page IconTo Previous Page
To Previous Page IconTo Previous Page
Loading...
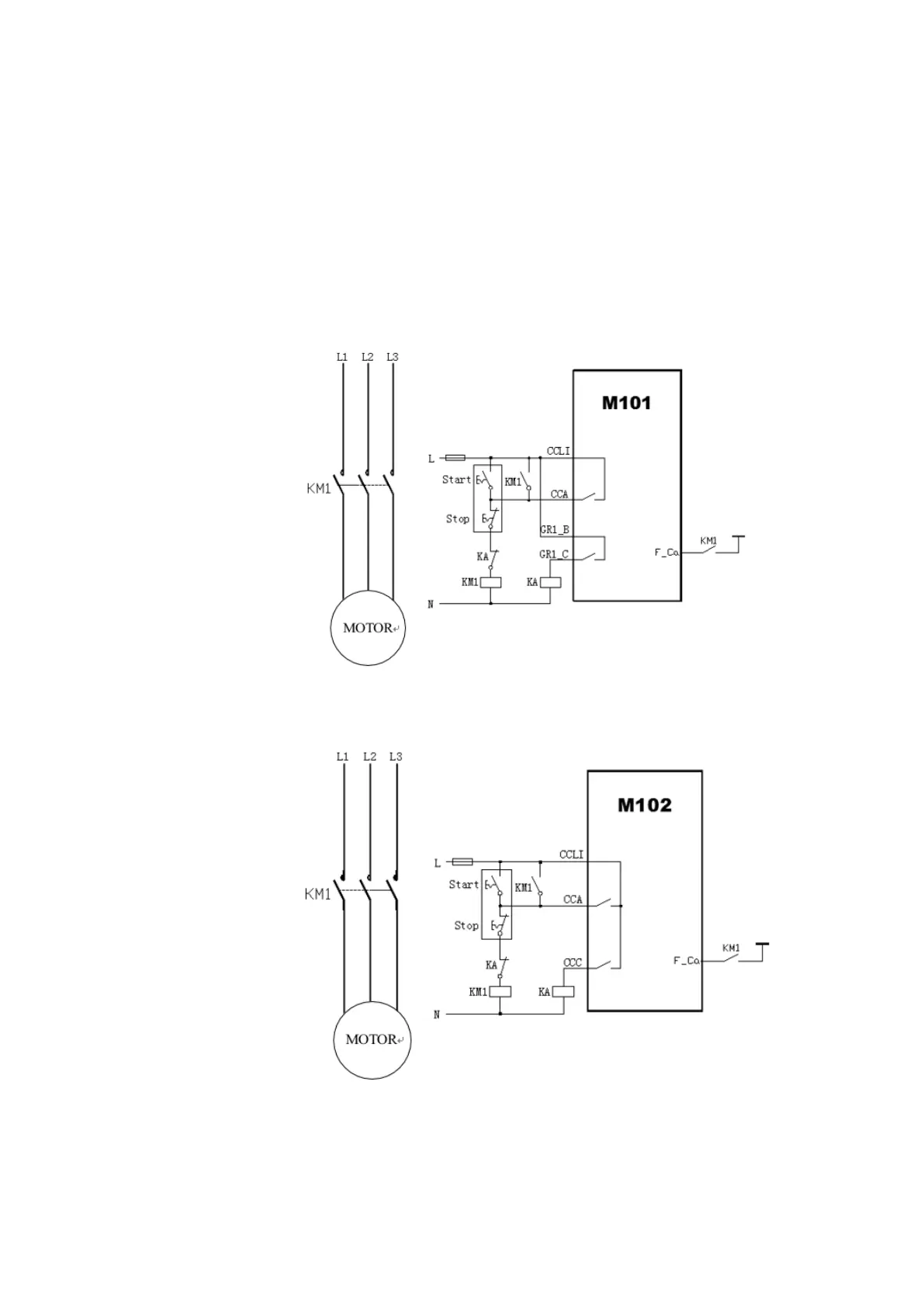
16 Control circuit for NR-DOL/RCU starter (for M101)
17 Control circuit for NR-DOL/RCU starter (for M102)
Current feedback of a DOL-RCU starter is always
on the background to ensure the completion of an
expected operation sequence and the
confirmation of the motor state during RCU
control. The feedback time is adjustable.
Contactor feedback and current feedback
are both used for verification of the mo-
tor status. Any unexpected feedback re-
sults in alarm or fault.
Contactor feedback is a must parameter
and can not be disabled as M10x also re-
quires contactor feedback to sychronize
with external RCU control.
0 4 . MOTOR STARTERS CONTROL
25

Table of Contents

Related product manuals