EasyManua.ls Logo

ABB EM01 - Control Circuit for REV-DOL;RCU Starter (for M101); Control Circuit for REV-DOL;RCU Starter (for M102)

ABB EM01
99 pages
Print Icon
To Next Page IconTo Next Page
To Next Page IconTo Next Page
To Previous Page IconTo Previous Page
To Previous Page IconTo Previous Page
Loading...
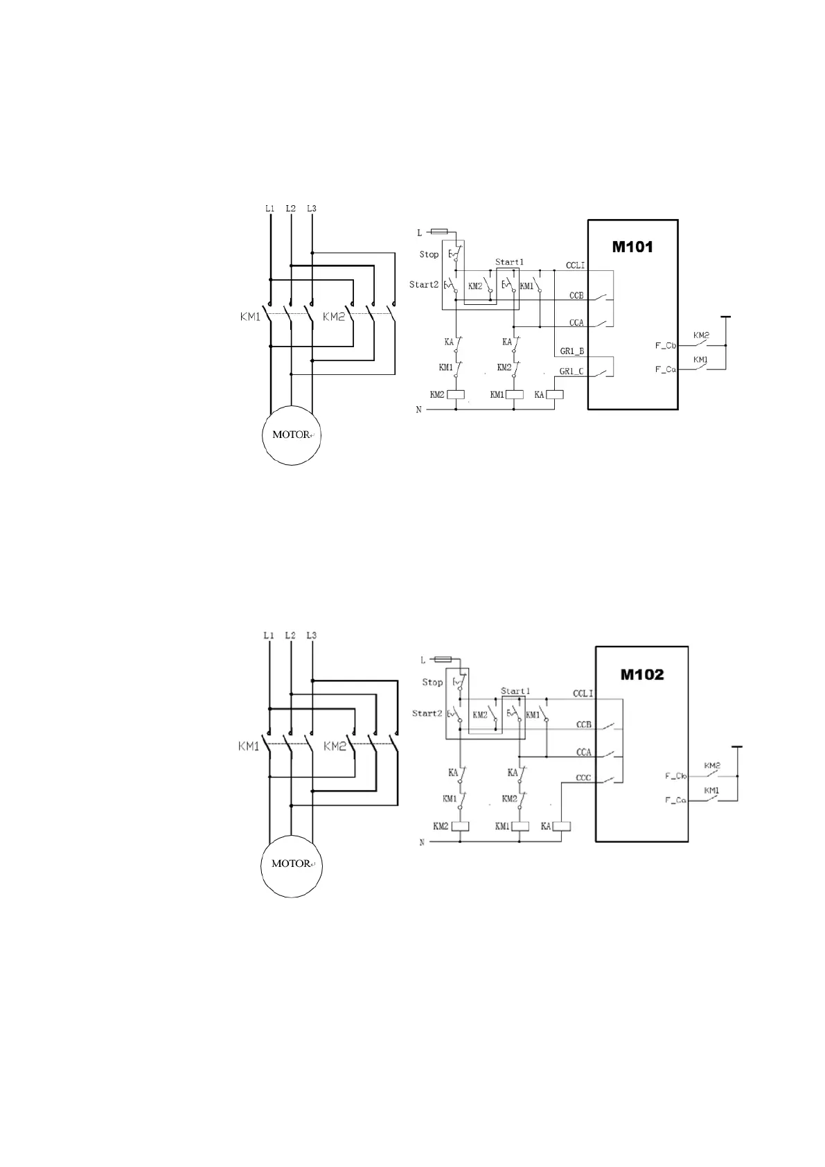
20 Control circuit for REV-DOL/RCU starter (for M102)
19 Control circuit for REV-DOL/RCU starter (for M101)
28 MOTOR CONTROL AND PROTECTION UNIT M10X USER GUIDE28 MOTOR CONTROL AND PROTECTION UNIT M10X USER GUIDE

Table of Contents

Related product manuals