EasyManua.ls Logo

ABB EM01 - Actuator Starter (M102 Only); Actuator Starter Contactor Control Interface; Operating Sequence in Actuator; Control Circuit for Actuator Starter

ABB EM01
99 pages
Print Icon
To Next Page IconTo Next Page
To Next Page IconTo Next Page
To Previous Page IconTo Previous Page
To Previous Page IconTo Previous Page
Loading...
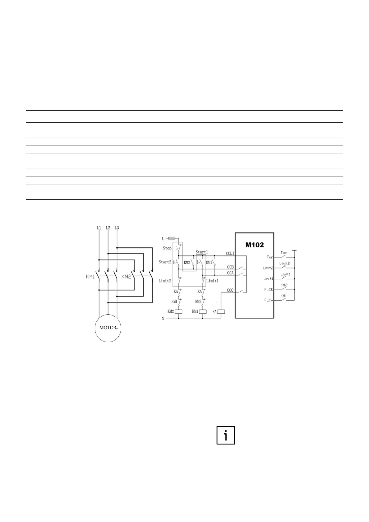
Actuator starter (M102 only)
This starter type is for controlling valves and
actuators by using limit switches
Name Pin Description
CCLI X4:6 Contactor control voltage input
CCA X4:7 Contactor control A
CCB X4:8 Contactor control B
CCC X4:9 Contactor control C
DI0 (Limit1) X1:1 Limit position switch 1 input
DI1 (Limit2) X1:2 Limit position switch 2 input
DI9 (Torque) X1:10 Torque switch input
DI6 (F_Ca) X1:7 Contactor control A feedback
DI7 (F_Cb) X1:8 Contactor control B feedback
DI5 (Loc/R) X1:6 Local/remote control switch input

21 Control circuit for actuator starter
Limit switch stops the motor when activated.
Additionally, the start command is only allowed to
reverse direction. Torque switch is selectable by
parameterization.
Operating sequence in Actuator
Motor is stopped & Limit 1&Torque is not
triggered Start1 CCA closes and remains for
1 second only
Motor is stopped & Limit 2&Torque is not
triggered Start2 CCB closes and remains for
1 second only
Motor is running forward Limit 1/Stop CCC
closes and remains for 1 second only
Motor is running reversing Limit 2/Stop CCC
closes and remains for 1 second only
Motor is running Torque CCC closes
Take note of the CT location for the
application. CT location should be on
the line side of both K1 and K2 to
ensure correct current phase sequence
reading.
* The assigned DI and PIN code may change in actual design
0 4 . MOTOR STARTERS CONTROL 29

Table of Contents

Related product manuals