EasyManua.ls Logo

ABB HT846477 - Fitting the Cover Plate

ABB HT846477
128 pages
Print Icon
To Next Page IconTo Next Page
To Next Page IconTo Next Page
To Previous Page IconTo Previous Page
To Previous Page IconTo Previous Page
Loading...
Operation Manual / TPL67-C.. - TPL71-C..
9 Taking out of operation at short notice / 9.3 Fitting the cover plate
© Copyright 2020 . All rights reserved. HZTL2488_EN Rev.G March 2020
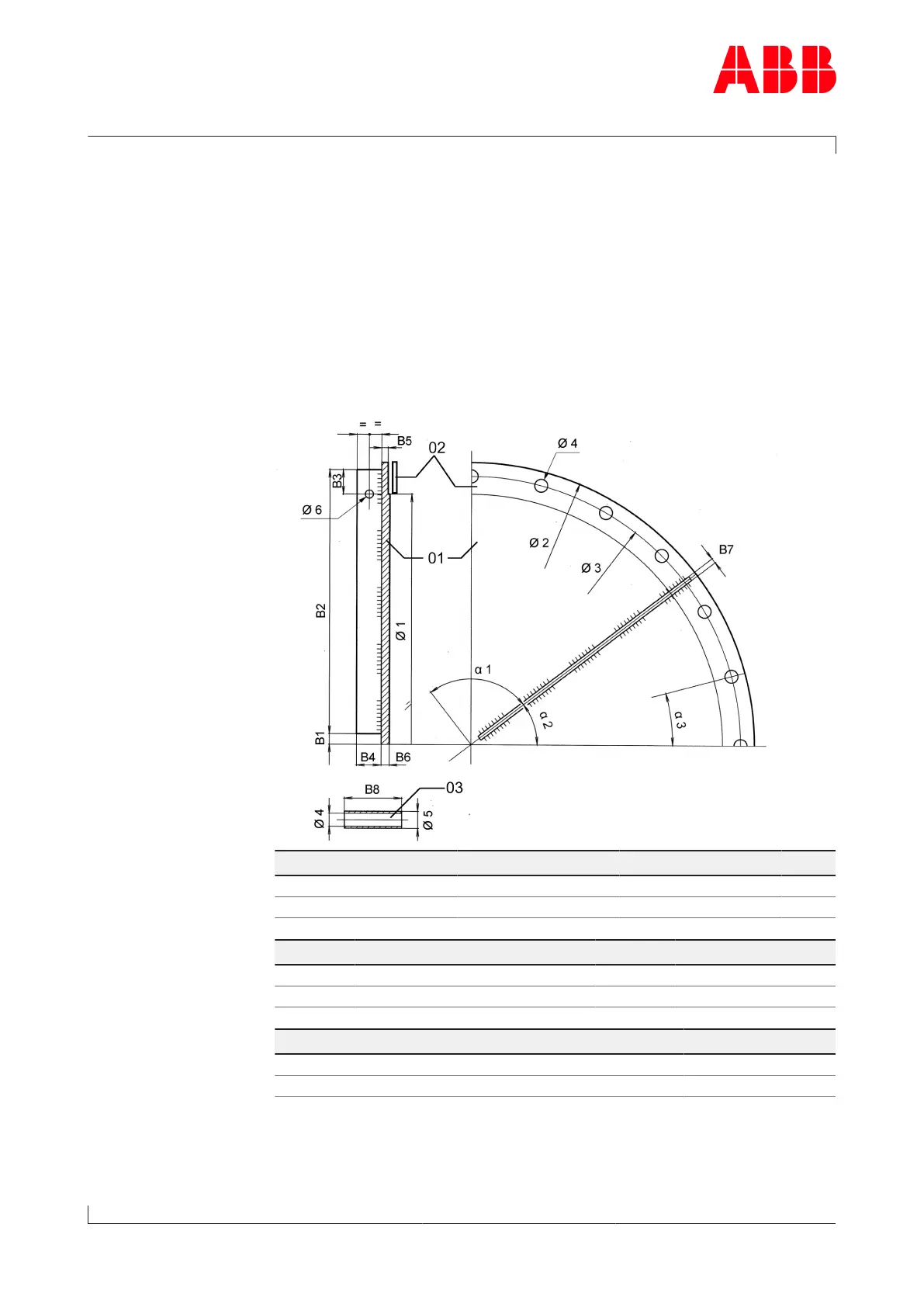
9.3 Fitting the cover plate
The cover plate and the other parts that are required are not within the
scope of delivery of ABB, and must be provided by the user as per the il-
lustration.
Parts required
¡ 1 cover plate (01) (recommended material: 1.4541 / 1.4571)
¡ 1 gasket (02) (temperature-resistant up to 650°C)
¡ 24 sleeves (03)
Cover plate dimensions
[mm]
Product B1 B2 B3 B4 B5 B6 B7 B8
TPL67-C 13 325 30 30 8 10 6 70
TPL71-C 13 385 30 30 8 10 6 90
Product Ø 1 Ø 2 Ø 3 Ø 4 Ø 5 min. Ø 6 min.
TPL67-C 616 694 660 17.5 25 15
TPL71-C 726 818 779 19.5 28 15
Product
1
2
3
TPL67-C 4 x 90° 37.5° 24 x 15°
TPL71-C 4 x 90° 37.5° 24 x 15°
Page 111 / 125

Table of Contents

Related product manuals