EasyManua.ls Logo

ABB IRB 1600ID - 2.3.4 Suspended mounting

ABB IRB 1600ID
285 pages
Print Icon
To Next Page IconTo Next Page
To Next Page IconTo Next Page
To Previous Page IconTo Previous Page
To Previous Page IconTo Previous Page
Loading...
2 Installation and commissioning
2.3.3. Orienting and securing the robot
3HAC026660-001 Revision: C50
© Copyright 2006-2008 ABB. All rights reserved.
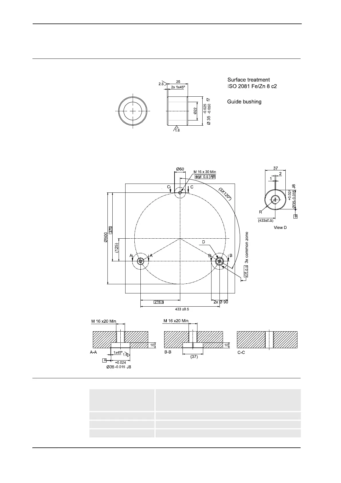
Dimension, mounting surface and guiding sleeve
The figure below shows the dimension of the mounting surface and guiding sleeves, if used.
xx0400001306
Attachment bolts, specification
Attachment bolts, 3 pcs M16 x 60 (installation directly on foundation of steel)
M16 x 70/80 (installation on foundation or base plate, using
guiding sleeves)
Washers, 3 pcs 17 x 30 x 3
Quality Quality 8.8 (wall or angle mounted robot: Quality 12.9)
Tightening torque 200 Nm
Continued
Continues on next page

Table of Contents

Related product manuals