EasyManua.ls Logo

ABB REL 356

ABB REL 356
237 pages
To Next Page IconTo Next Page
To Next Page IconTo Next Page
To Previous Page IconTo Previous Page
To Previous Page IconTo Previous Page
Loading...
ABB REL 356 Current Differential Protection
2-22
Installation, Operation and Maintenance
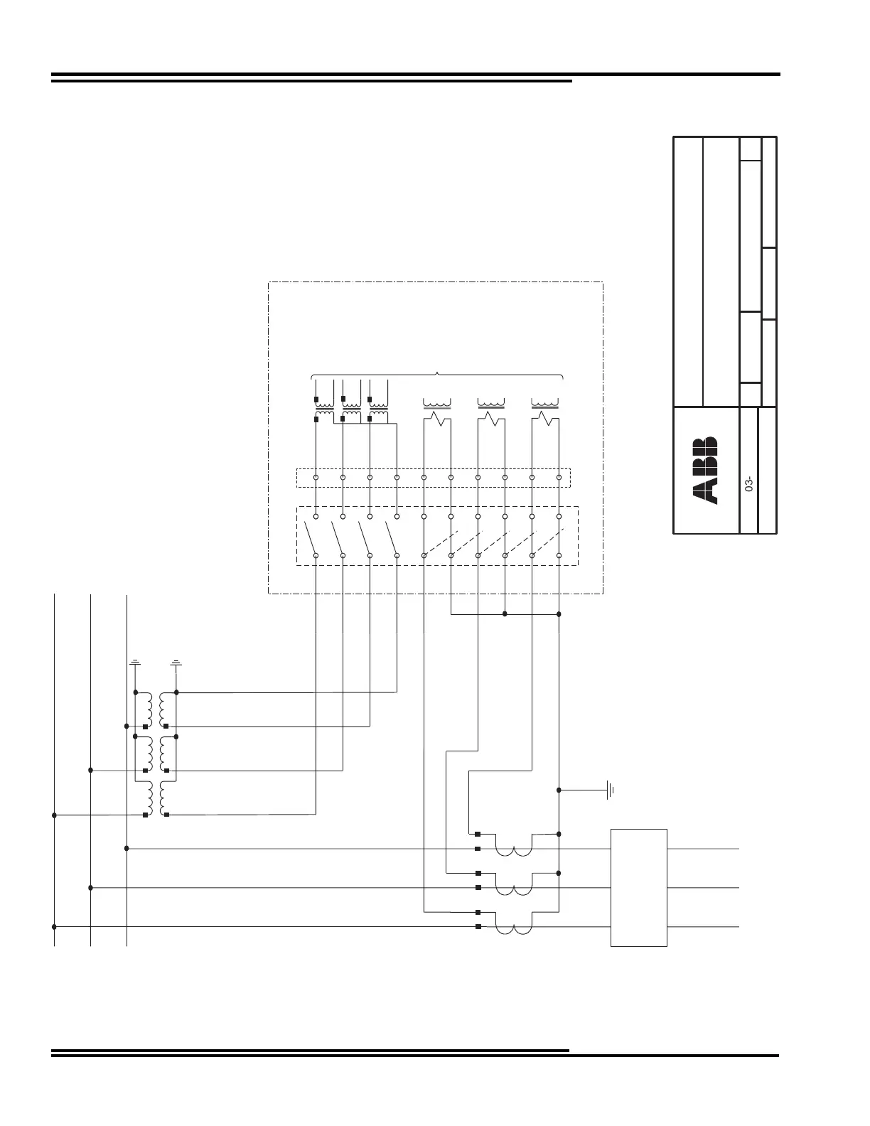
A
B
C
52
A
B
C
D
VA
VB
VC
VN
E
F
G
H
I
J
IN
IC
IB
IA
1
2
3
4
6
5
8
7
10
9
TO INPUT
FILTERING
TB6
REL356
1FT-14
ABB
03-23-97
SW
Current differential system using REL356
ABB Automation Inc.
Substation Automation and Protection Division
Allentown, PA
SIZE FSCM NO DWG NO REV
2097D40
SH
1 OF 3

Table of Contents

Other manuals for ABB REL 356

Related product manuals