EasyManua.ls Logo

Ablerex TAURUS 20 kVA - Electrical System Connections (Single Input); Electrical System Connections (Single Input with Isolation Transformer)

Default Icon
60 pages
Print Icon
To Next Page IconTo Next Page
To Next Page IconTo Next Page
To Previous Page IconTo Previous Page
To Previous Page IconTo Previous Page
Loading...
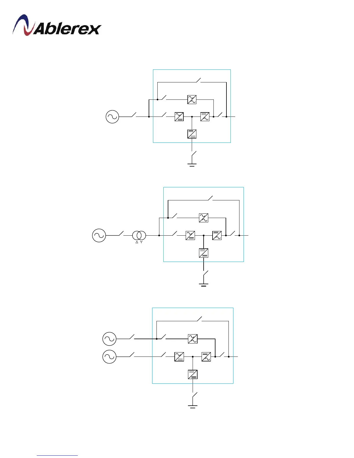
Electrical System Connections
UPS with single Input
Load
3P+N
UPS with single input and isolation transformer
Load
3P 3
P+
N
UPS with dual inputs
Load
3P+N
3P+N
28
192321262008007

Related product manuals