EasyManua.ls Logo

Ablerex TAURUS 40 kVA - Operation Descriptions; Operating Mode

Default Icon
60 pages
Print Icon
To Next Page IconTo Next Page
To Next Page IconTo Next Page
To Previous Page IconTo Previous Page
To Previous Page IconTo Previous Page
Loading...
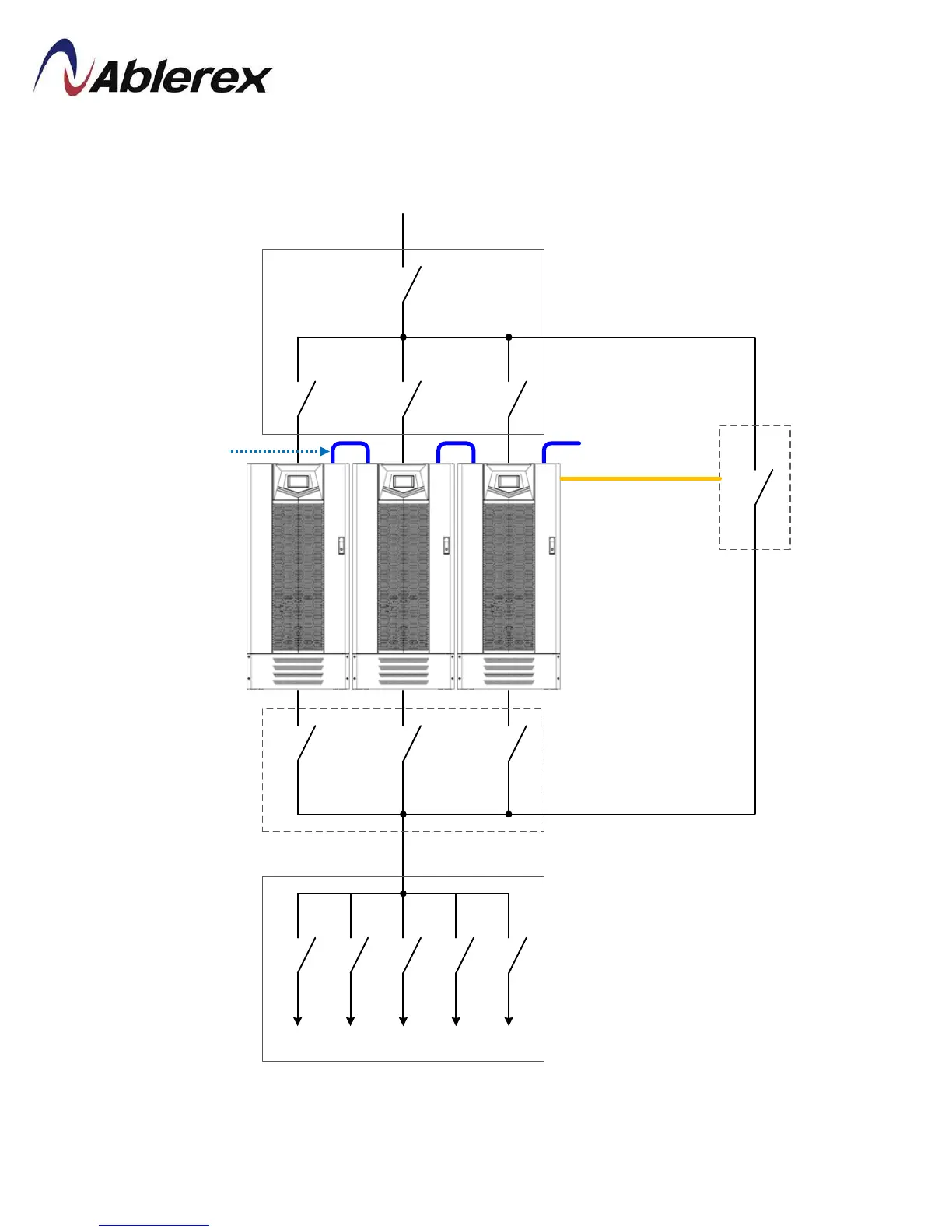
Recommended N+1 parallel for single input system configuration
Up to 6
UPS Units
Load
Mains
External
Manual
Bypass
Switch
Parallel
Communication
Cables
40
192321262008007

Related product manuals