EasyManua.ls Logo

Acer PL6510 - Connecting sources to the projector

Acer PL6510
63 pages
Print Icon
To Next Page IconTo Next Page
To Next Page IconTo Next Page
To Previous Page IconTo Previous Page
To Previous Page IconTo Previous Page
Loading...
English
16
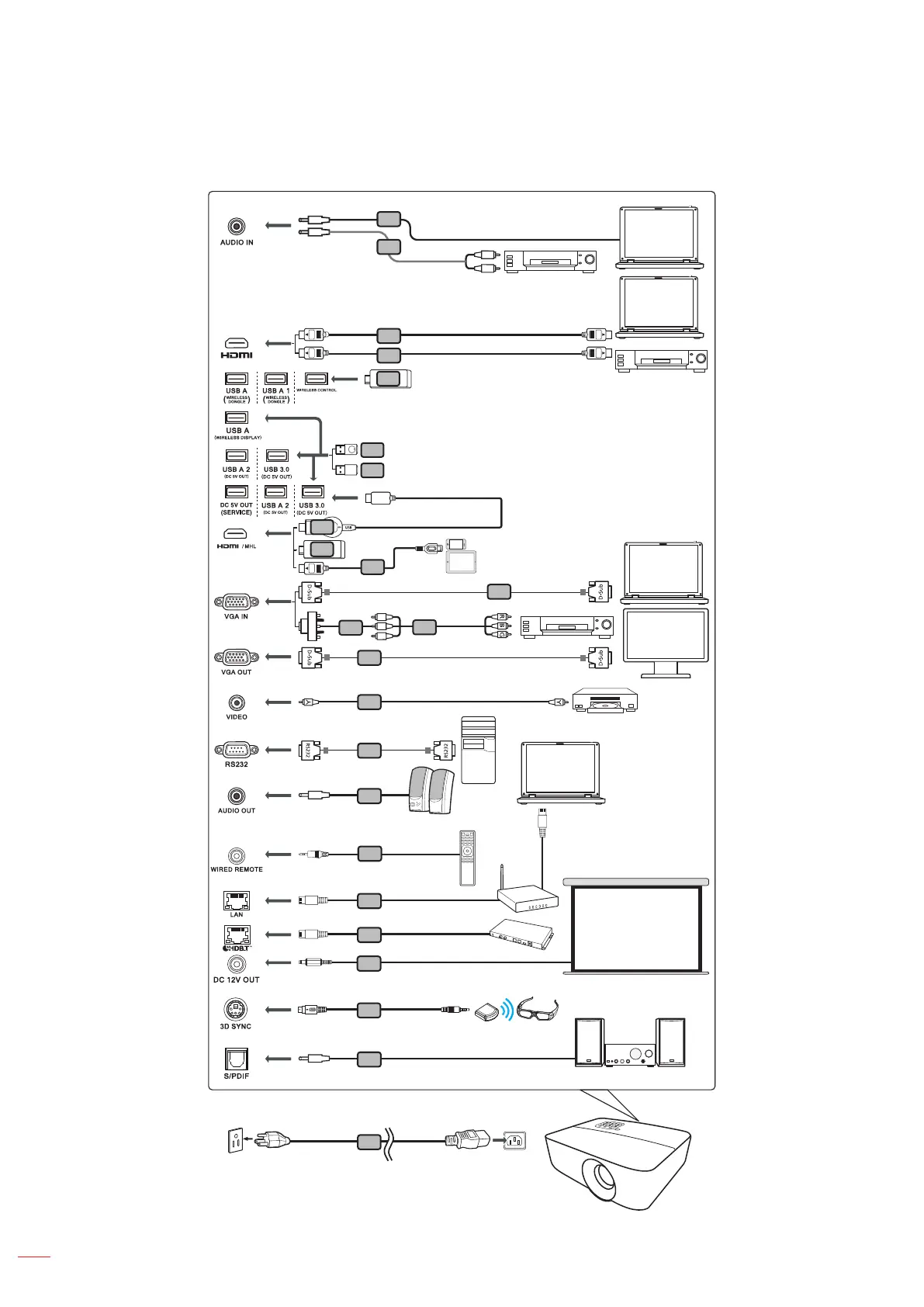
SETUP AND INSTALLATION
Connecting sources to the projector
11
13
R
L
HDTV adapter
4
6
2
10
10
3
3
3
9
5
5
8
7
12
2
2
1
15
14
10
16
USB flash
drive
12
Smart devices
RCA
Video Output
Speakers
Display
Screen
Audio Output
3D IR Emitter

Related product manuals