EasyManua.ls Logo

Acer V223HQ - Appendix 3 - I;F Board

Acer V223HQ
69 pages
To Previous Page IconTo Previous Page
To Previous Page IconTo Previous Page
Loading...
- 69 -
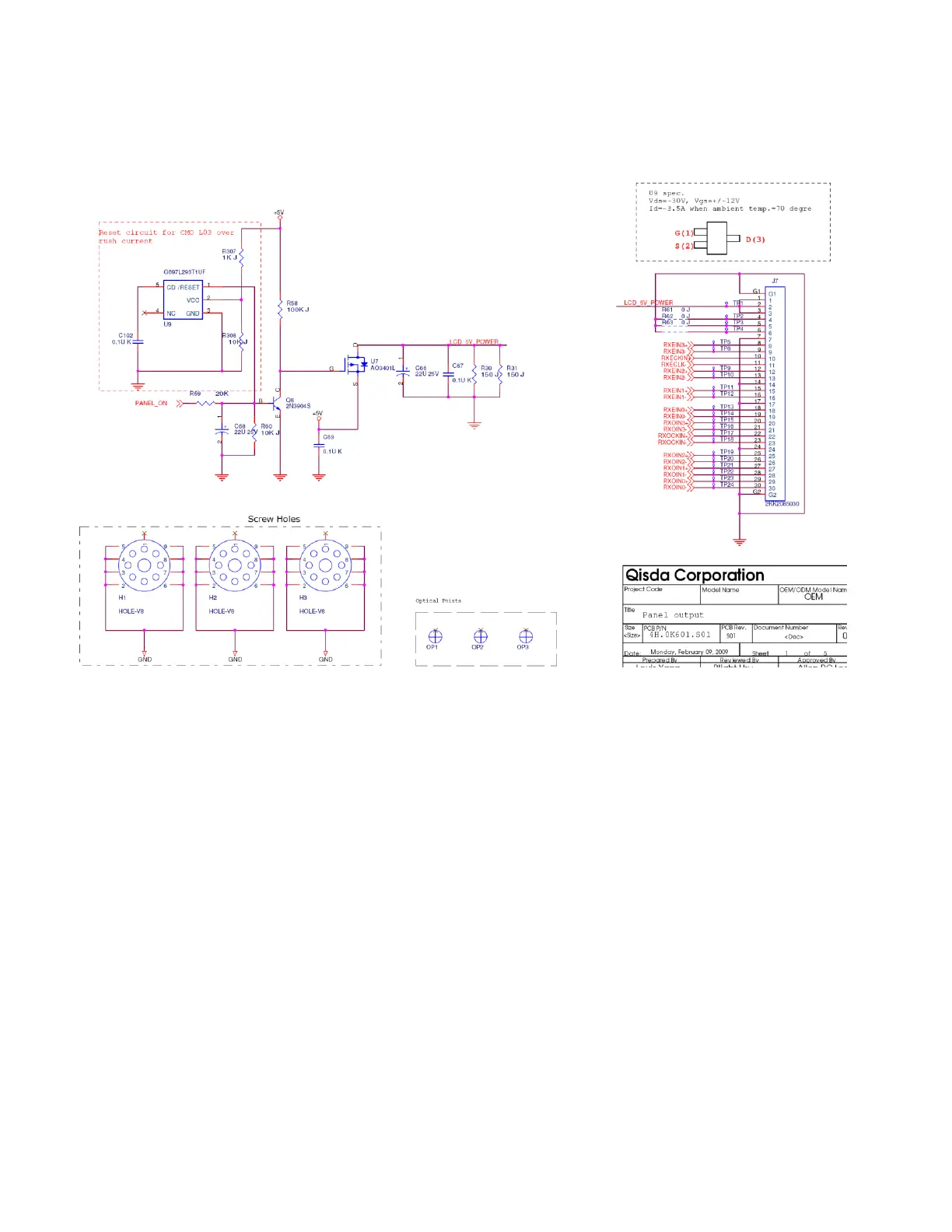
Appendix 3 I/F Board

Other manuals for Acer V223HQ

Related product manuals