EasyManua.ls Logo

Acer X111 - Getting Started Guide; Connecting the Projector

Acer X111
61 pages
To Next Page IconTo Next Page
To Next Page IconTo Next Page
To Previous Page IconTo Previous Page
To Previous Page IconTo Previous Page
Loading...
7
English
Getting Started
Connecting the Projector
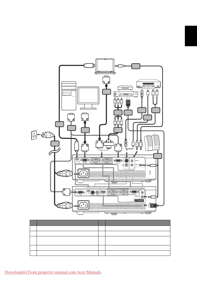
# Description # Description
1Power cord 6S-Video cable
2 VGA cable 7 RS232 cable
3 VGA to component video/HDTV
adapter
8 USB cable
4 Composite video cable 9 3 RCA component cable
5 Audio cable 10 HDMI cable
RS232
RS232
RS232
RB G
RB G
HDTV adapter
D-Sub
D-Sub
7
8
D-Sub
D-Sub
2
5
6
4
2
USB
USB
1
R
W
9 10
3
Y
Y
5
5
DVD player,
Set-top box,
HDTV receiver
VGA
RS232
Video/S-Video
Output
Display
Speakers
Downloaded From projector-manual.com Acer Manuals

Related product manuals