EasyManua.ls Logo

Adleepower MS2-107 - Terminal Wiring Diagram

Default Icon
106 pages
Print Icon
To Next Page IconTo Next Page
To Next Page IconTo Next Page
To Previous Page IconTo Previous Page
To Previous Page IconTo Previous Page
Loading...
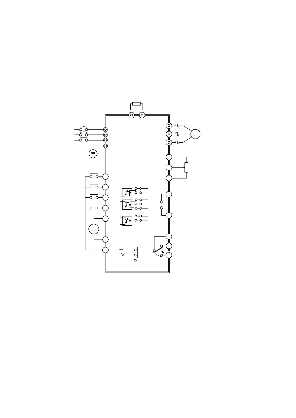
B. Terminals wiring diagram
94
Vcc
FA1
GND
IM
COM14
VCC
6
MT
13
FT2
12
FT111
REV10
FWD9
4B
5C
6
7
8
U
V
W
1A 240VAC
1A 30VDC
FM
10 VDC
RST
FT2
P PR
External braking
SINGLE PHASE
Forward run/stop
Reverse run/stop
Multi function 1
Multi function 2
(i.e 1mA)
Fault contact output
Normal close(B) contact
L2
L1
MCCB
CF1
FT1
Rheostat
Motor
CF2
ARR
MT
MA
1
CF3
MC
2
3
Running Relay contact (common)
Running Relay normal close(B) contact
(or 5-8th speed terminal)
Running Relay normal close(A) contact
1A 240VAC
1A 30VDC
S1
3
2
1
110VAC±10%
50/60HZ
220VAC±10%
L3
Ground
E
380/440VAC±10%

Related product manuals