EasyManua.ls Logo

Advanced Micro Controls Inc. SMD23E2 - SMD24 E2 Outline Drawing; Connecting the Load

Advanced Micro Controls Inc. SMD23E2
133 pages
Print Icon
To Next Page IconTo Next Page
To Next Page IconTo Next Page
To Previous Page IconTo Previous Page
To Previous Page IconTo Previous Page
Loading...
INSTALLING THE SMD23E2 OR SMD24E2
SMD23E2 and SMD24E2 User’s Manual
ADVANCED MICRO CONTROLS INC.
88
1.4 Mounting (continued)
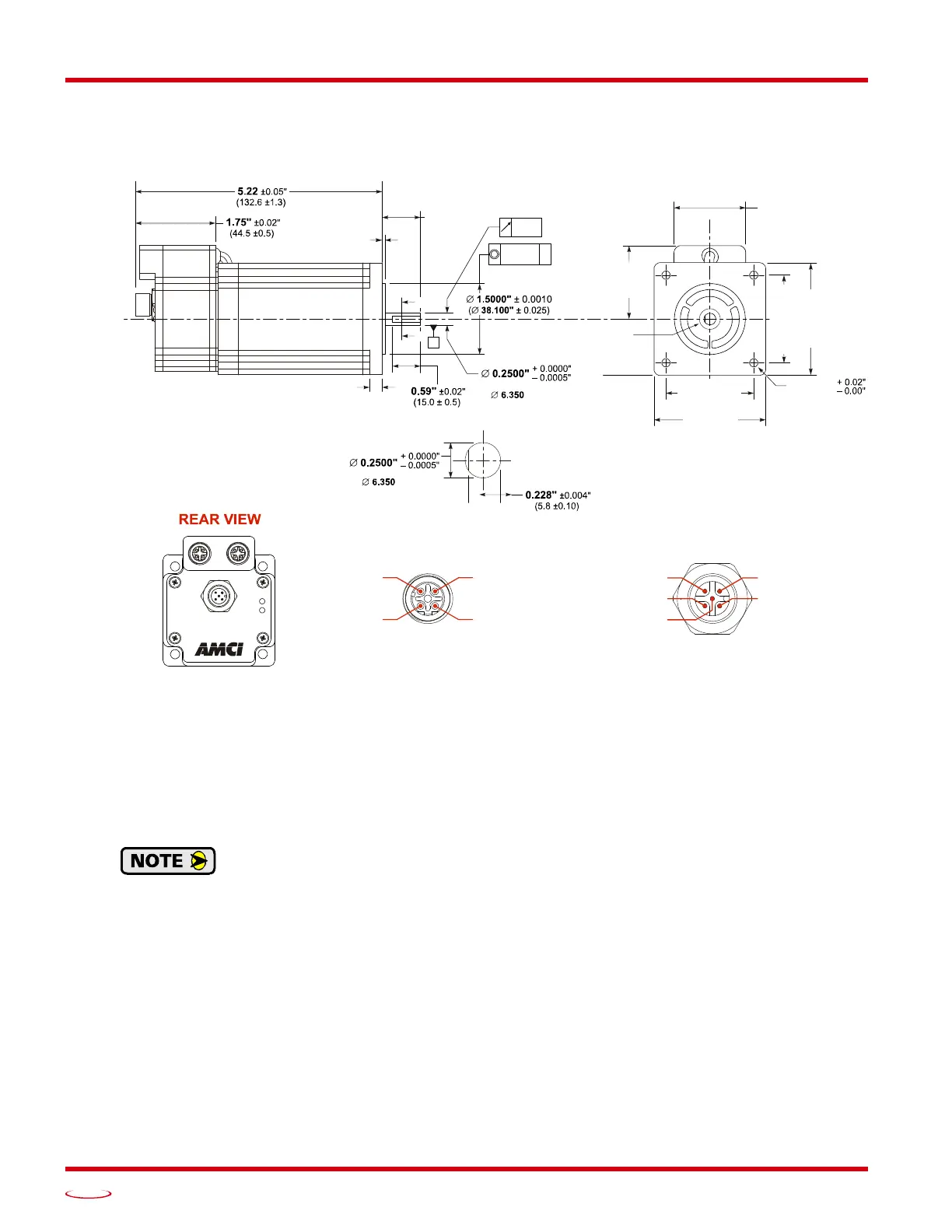
1.4.5 SMD24E2 Outline Drawing
Figure T1.2 SMD24E2 Outline Drawing
1.4.6 Connecting the Load
Care must be exercised when connecting your load to the stepper motor. Even small shaft misalignments can
cause large loading effects on the bearings of the motor and load. The use of a flexible coupler is strongly rec
-
ommended whenever possible.
Maximum radial load is 19 lbs. (85N) at the end of the shaft.
Maximum axial load is 3.37 lbs. (15N)
Internal encoders are mounted on the end of the motor shaft that is internal to the unit. Exces-
sive axial load may cause encoder mis-alignment and damage to the unit. This type of damage
is not covered under warranty.
0.003"
(0.08)
A
A
Section S – S (3X Scale)
+ 0.000
– 0.013
)(
2.36"
±0.02
(60 ±0.5)
1.60"
Max.
(40.6)
1.520"
±0.005"
(38.61 ± 0.13)
0.81"
±0.04"
(20.6 ±1)
0.27"
±0.01"
(6.8 ±0.3)
0.06"
±0.01"
(1.5 ±0.3)
S
2.36"
±0.02"
(60 ±0.5)
1.856"
±0.008"
(47.14 ±0.2)
4: 5.0

4: 0.19"

+ 0.3
– 0.0
)(
0.001"
(0.03)
+ 0.000
0.013
)(
S
1.856"
±0.008"
(47.14 ±0.20)
Optional Nitrile Shaft
Seal (Option “P”)
Port 2 Port 1
Power: 24 to 48 Vdc
Module
Status
Network
Status
Power & Inputs
POWER & INPUTS
Pin 1: +Tx
Pin 2: +Rx
Pin 4: –Rx
Pin 3: –Tx
Pin 1: DCPower
MAIN
Pin
5: DCPower
AUX
Pin
2: Input 1
Pin
3: DC Common
Pin 4: Input 2
ETHERNET
Ports 1 & 2

Table of Contents