EasyManua.ls Logo

AERMEC ANKI 020 - 3-Way Valve Operation for Domestic Hot Water

AERMEC ANKI 020
28 pages
Print Icon
To Next Page IconTo Next Page
To Next Page IconTo Next Page
To Previous Page IconTo Previous Page
To Previous Page IconTo Previous Page
Loading...
19
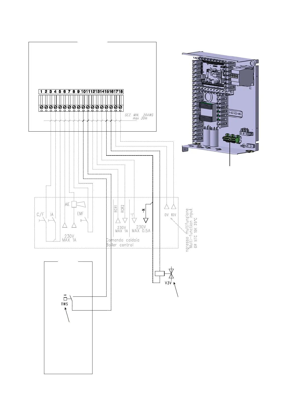
3-WAY VALVE OPERATION FOR THE PRODUCTION OF DOMESTIC HOT WATER
T
ANKI 020-045
Auxiliary terminal board
Electric power board
Position of the
auxiliary terminal board
on the electrical panel
3-way valve
Domestic
hot water tank
Thermostat
domestic
water
ANKI 020-045
When the thermostat in the domestic hot water storage tank
detects a temperature lower than the set point, it sends a
signal to the unit (terminals 10 and 11).
Upon receiving the signal, the heat pump sets its own hot
operation with the domestic hot water set point and,
subsequently, diverts the 3-way valve from the plant circuit to
the domestic hot water circuit (terminals 15 and 16).
Once the DHW set point set in the ANKI board is reached, the
signal stops, the heat pump diverts the 3-way valve and sets
its own operation (hot or cold) on the system circuit.

Related product manuals