EasyManua.ls Logo

AFM ES-200A - Page 28

Default Icon
42 pages
Print Icon
To Next Page IconTo Next Page
To Next Page IconTo Next Page
To Previous Page IconTo Previous Page
To Previous Page IconTo Previous Page
Loading...
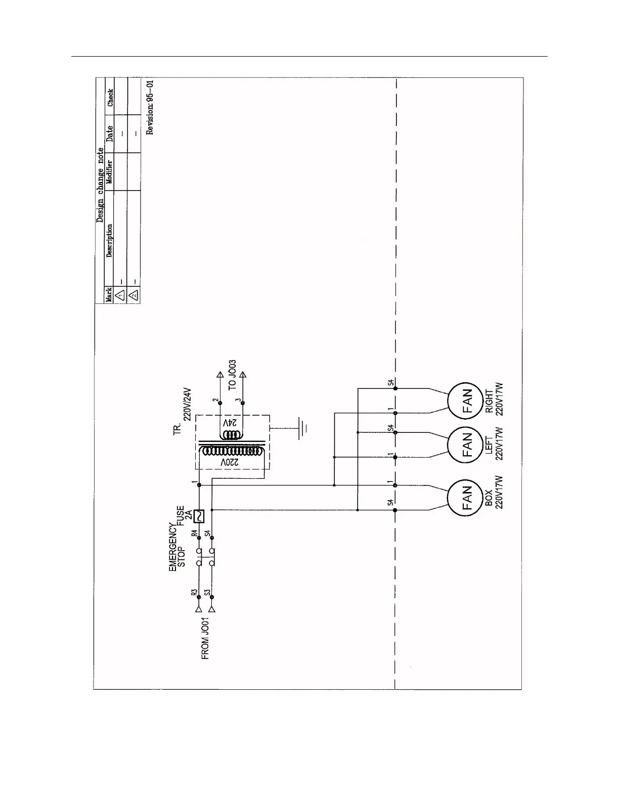
28 Schematic Diagrams
4510003 Rev B

Related product manuals