EasyManua.ls Logo

AG MINI - Circuit Diagram

AG MINI
39 pages
Print Icon
To Next Page IconTo Next Page
To Next Page IconTo Next Page
To Previous Page IconTo Previous Page
To Previous Page IconTo Previous Page
Loading...
AG Mini Operation Manual
AR / 25.07.23 / Version 1 29
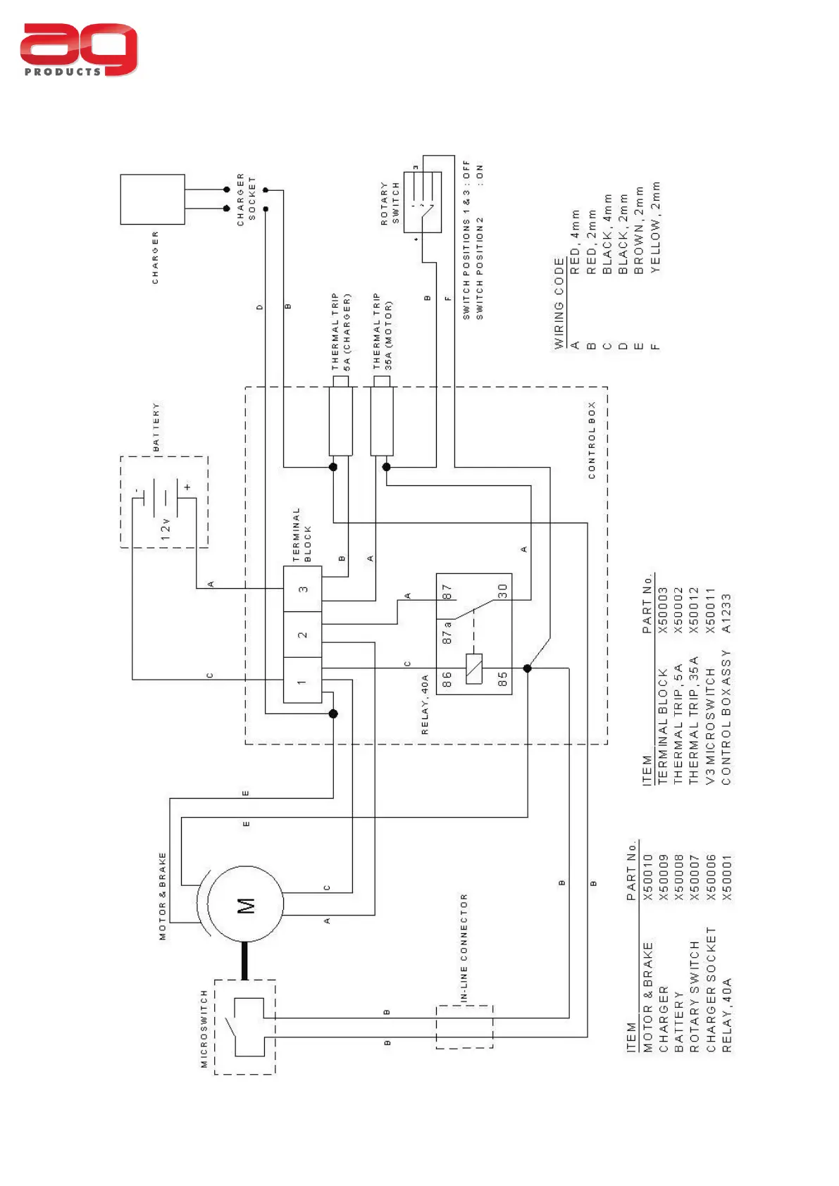
6.5 CIRCUIT DIAGRAM

Related product manuals