EasyManua.ls Logo

Agilent Technologies 6624A - Page 138

Agilent Technologies 6624A
156 pages
Print Icon
To Next Page IconTo Next Page
To Next Page IconTo Next Page
To Previous Page IconTo Previous Page
To Previous Page IconTo Previous Page
Loading...
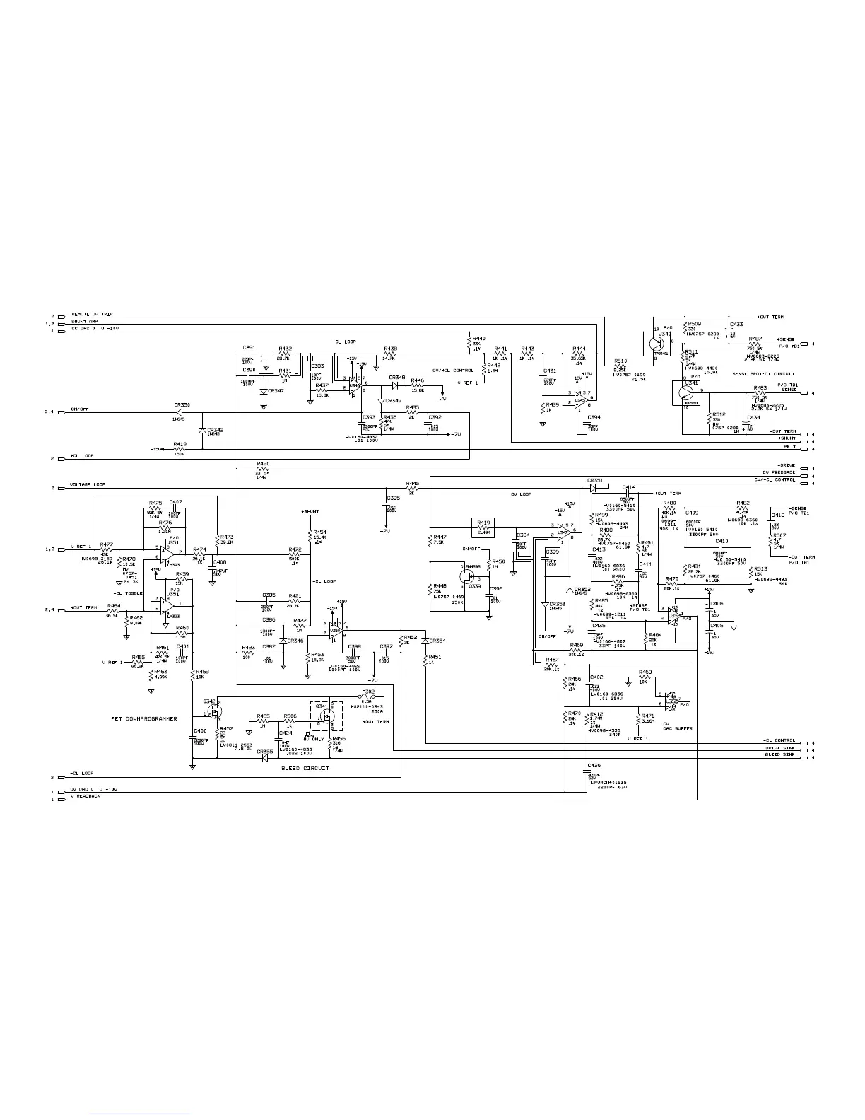
Figure 6-3. Output 1 & 2 Board, Schematic Diagram (sheet 3 of 4)
6-12

Table of Contents

Other manuals for Agilent Technologies 6624A

Related product manuals