EasyManua.ls Logo

Agilent Technologies 6624A - Page 153

Agilent Technologies 6624A
156 pages
Print Icon
To Next Page IconTo Next Page
To Next Page IconTo Next Page
To Previous Page IconTo Previous Page
To Previous Page IconTo Previous Page
Loading...
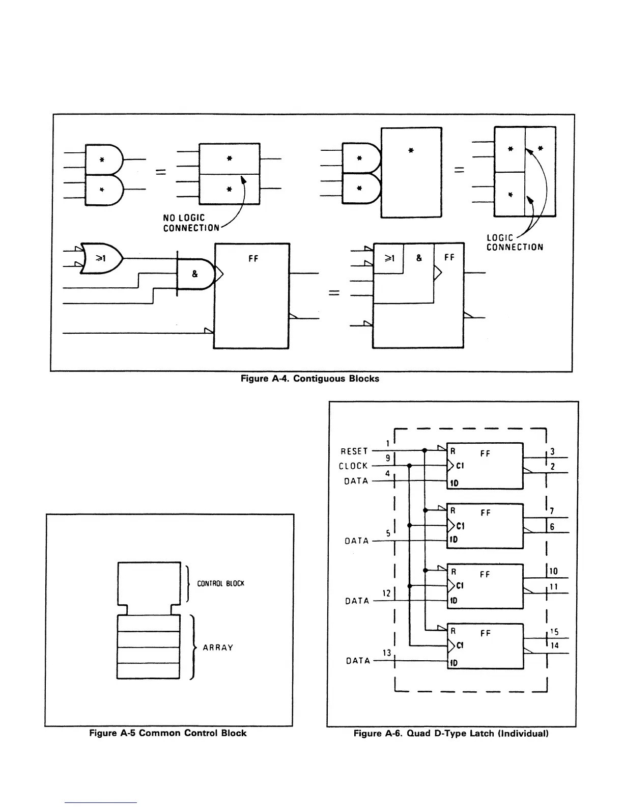
Contiguous Blocks. Two symbols may share a common
boundary parallel or perpendicular to the direction of signal
flow. Note that in the example shown in Figure A-4 there is
generally no logic connection across a horizontal line, but
Common Control Block. The Control block is used in
conjunction with an array of related symbols in order to
group common logic lines. Figure A-5 shows how the
Control block is usually represented. Figure A-6 shows a
quad D-type flip-flop with reset. This can be redrawn as
shown in Figure A-7. Note that the more complex
representation shown in Figure A-6 can be used when the
flip-flops are functionally scattered around the schematic
(i.e., not used as a quad unit).
there is always an implied logic connection cross a vertical
line. Notable exceptions to this rule are the horizontal lines
A-4
beneath control blocks and between sections of shift
registers and counters.

Table of Contents

Other manuals for Agilent Technologies 6624A

Related product manuals