EasyManua.ls Logo

Agilent Technologies 6625A - Power Supply Protection Considerations; Battery Charging

Agilent Technologies 6625A
123 pages
Print Icon
To Next Page IconTo Next Page
To Next Page IconTo Next Page
To Previous Page IconTo Previous Page
To Previous Page IconTo Previous Page
Loading...
Output Connections and Operating Information
55
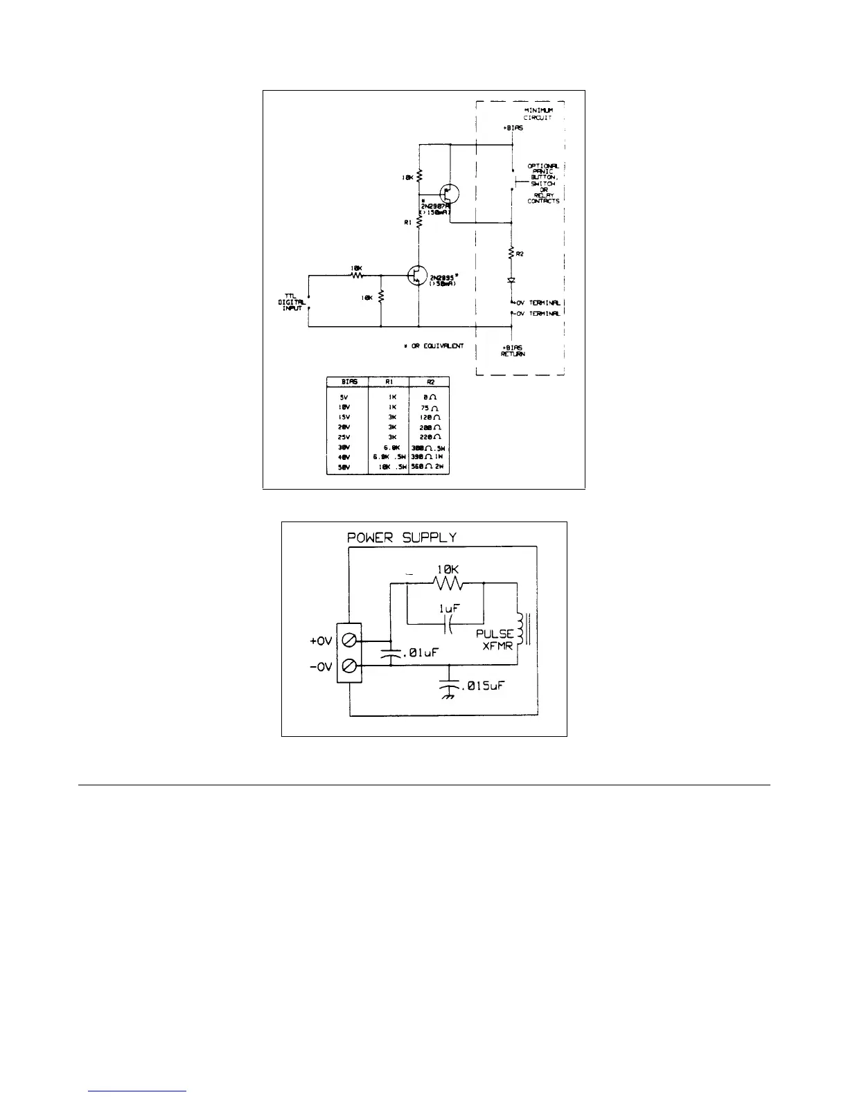
Figure 4-8. External Trigger Circuit
Figure 4-9. Equivalent Internal OV Trigger Circuit
Power Supply Protection Considerations
Battery Charging
If you are using your supply in a battery charging application, it is recommended that a series protection diode be added to
prevent damage to the supply during an overvoltage shutdown. Remember that each output has an overvoltage protection
circuit that fires a crowbar to disable the output for any of the OVERVOLTAGE conditions described on page 48.
Figure 4-10 illustrates the recommended connections and protection circuit for a battery charging application. The diode
will prevent damage to your supply that can result from excessive battery current flowing into the supply’s output in the
event of an overvoltage shutdown.

Table of Contents

Other manuals for Agilent Technologies 6625A

Related product manuals