EasyManua.ls Logo

Agilent Technologies 8719ES - Setting the Analyzer to Make an R Channel Measurement

Agilent Technologies 8719ES
478 pages
Print Icon
To Next Page IconTo Next Page
To Next Page IconTo Next Page
To Previous Page IconTo Previous Page
To Previous Page IconTo Previous Page
Loading...
2-17
Making Mixer Measurements (Option 089 Only)
Conversion Loss Using the Frequency Offset Mode
Setting the Analyzer to Make an R Channel Measurement
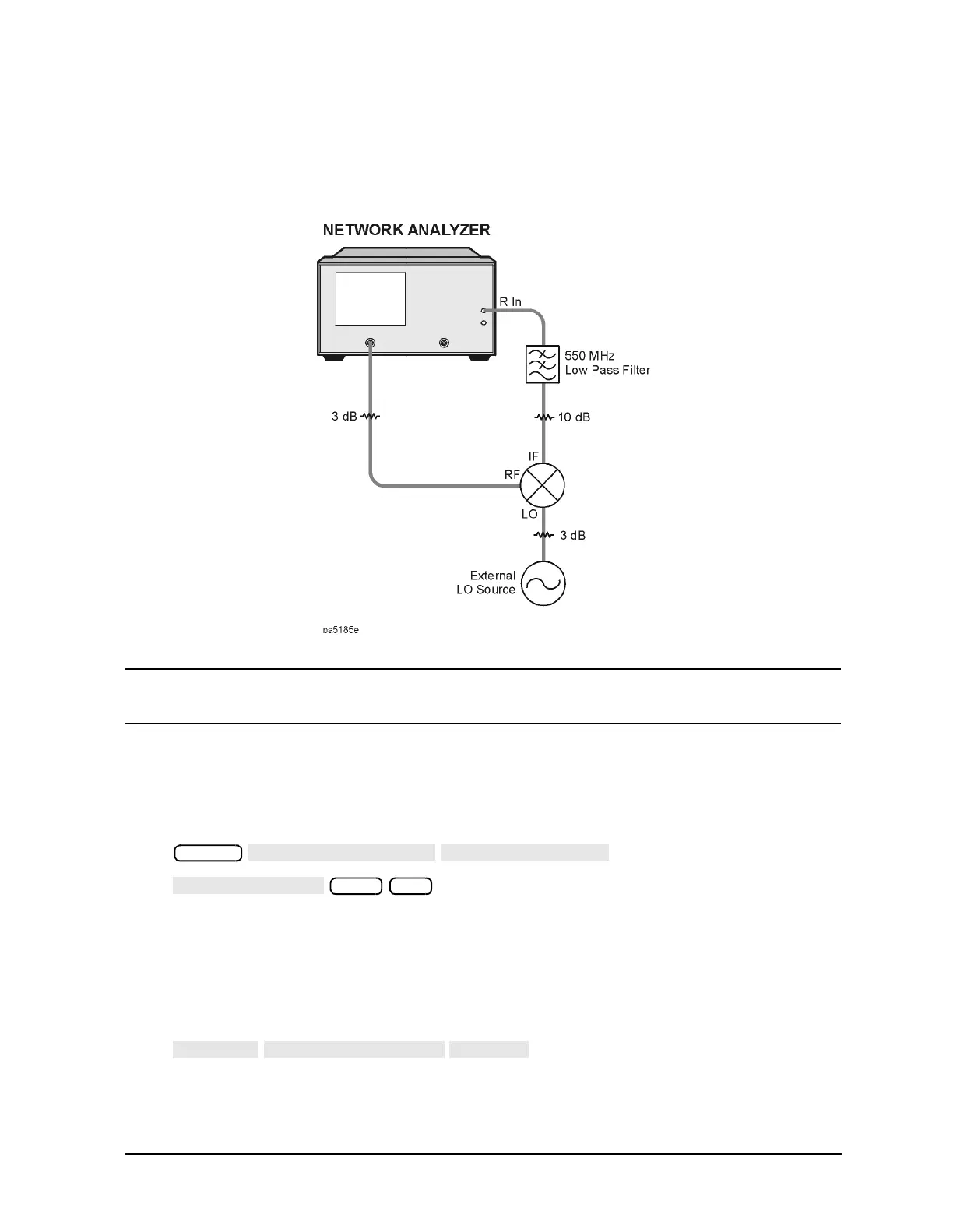
1. Connect the equipment as shown in Figure 2-12.
Figure 2-12 R-Channel Mixer Measurement Equipment Setup
NOTE An error message will be displayed while the R In port is disconnected.
Ignore this error message until step 3 is complete.
The analyzer is now displaying the conversion loss of the mixer calibrated with power
meter accuracy.
2. While the analyzer is still set to the IF frequency range, set the frequency offset mode
LO frequency from the analyzer by pressing:
Note that this is the example LO frequency. Enter the LO frequency for
your measurement instead.
The LO menu is used to set only the LO CW frequency. All other settings apply when
using the HP/Agilent 8625A external source.
3. To select the converter type and a high-side LO measurement configuration, press:
Note that these are the example settings. Enter the settings for your
measurement instead.
System
INSTRUMENT MODE
FREQ OFFS MENU
LO FREQUENCY
1000 M/µ
RETURN
DOWN CONVERTER
RF < LO

Table of Contents

Other manuals for Agilent Technologies 8719ES

Related product manuals