EasyManua.ls Logo

Aircel DHT-40 - B.3 AES Series Air-Cooled Wiring

Default Icon
84 pages
Print Icon
To Next Page IconTo Next Page
To Next Page IconTo Next Page
To Previous Page IconTo Previous Page
To Previous Page IconTo Previous Page
Loading...
VF, DHT, AES Series Manual |
Refrigerated Air Dryer User Manual
41
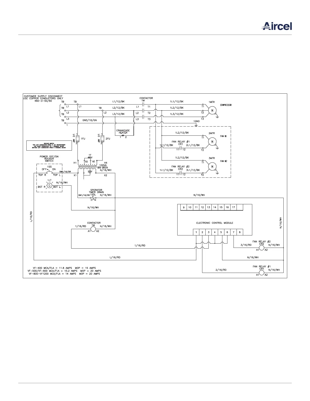
B.1 VF Series
Models 400 - 2,000 scfm; 3 Phase, 460 Volt, 60 Hz

Table of Contents

Other manuals for Aircel DHT-40

Related product manuals