EasyManua.ls Logo

AirTouch 2 - 2 Configuration

AirTouch 2
68 pages
Print Icon
To Next Page IconTo Next Page
To Next Page IconTo Next Page
To Previous Page IconTo Previous Page
To Previous Page IconTo Previous Page
Loading...
6
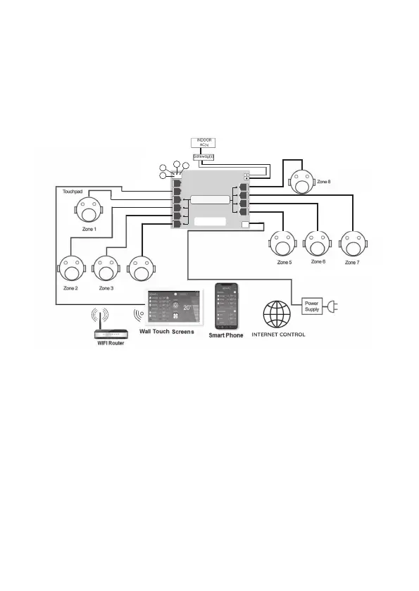
2. Conguration
AirTouch 2+ System is a star architecture system that allows communications
between AirTouch 2+ main control module, extension module, AC unit,
WiFi router (to connect to smart phones and internet), up to 16 zone dampers,
and up to two consoles. Figure below shows the connection of devices such as
the WiFi router, AC indoor PCB, extension module, console, and eight dampers
to the main module.
AirTouch 2+ Main Control Module connected to
AC Indoor Board, WiFi router, Smartphone and 8 Dampers
Figure 1:
Configuration
Continued on next page.
Zone 4
Main Module
To Zone Dampers
Z1
Z2
Z3
Z4
Sensors (Optional)
Supply Air
Z8
Z7
Z6
Z5
RS 485