EasyManua.ls Logo

Akai VS-2EGN

Akai VS-2EGN
193 pages
To Next Page IconTo Next Page
To Next Page IconTo Next Page
To Previous Page IconTo Previous Page
To Previous Page IconTo Previous Page
Loading...
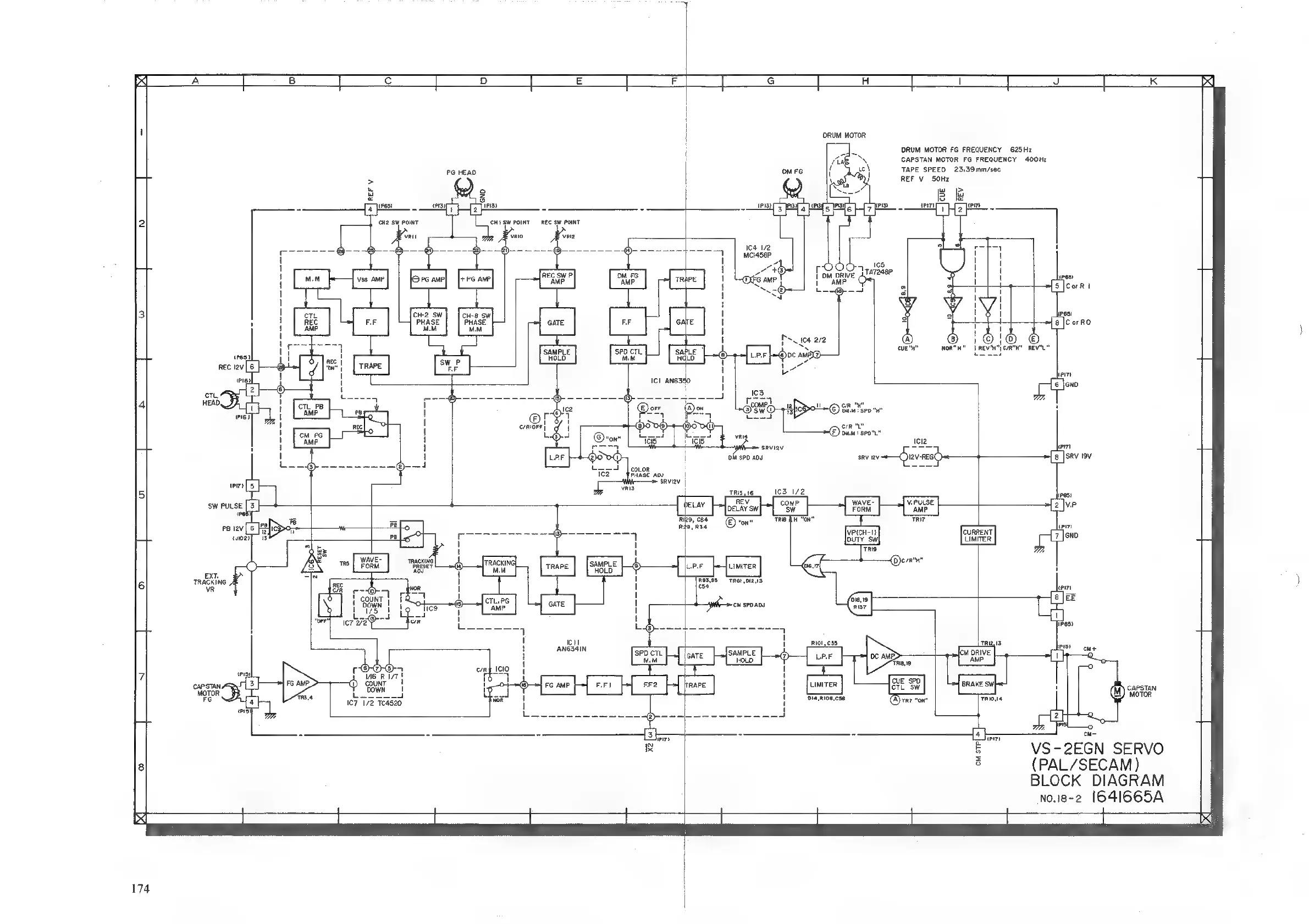
RUM
MOTOR
DRUM
MOTOR
FG
FREQUENCY
625Hz
CAPSTAN
MOTOR
FG
FREQUENCY
400Hz
PG
HEAD
TAPE
SPEED
23:39mm/sec
CHI
SW
POINT
REC
SW
POINT
‘vRIO
Ica
v2
MclasaP
i
OOO
ral
a
[ow
onive
YATe#6P
<G
AMP
|
OM
Rr
oe]
|
Psy
ica
ava
SAPLE
HOLD
Icl
AN6350
1C3_
1/2
VP(CH-1)
DuTY
sw]
@eren"
LIMITER
TRACKING
Tass
Te
DET
VR
Ic
AN634IN
SAMPLE
HOLD
7h
LIMITER
®
‘014,106,086
Cy
ra7
"on"
TRIO,
VS-2EGN
SERVO
(PAL/SECAM)
BLOCK
DIAGRAM
no.is-2
I64I665A
Ic7
172
Tc4520
baie
men
174
|

Related product manuals