EasyManua.ls Logo

Akai VS-2EGN

Akai VS-2EGN
193 pages
To Next Page IconTo Next Page
To Next Page IconTo Next Page
To Previous Page IconTo Previous Page
To Previous Page IconTo Previous Page
Loading...
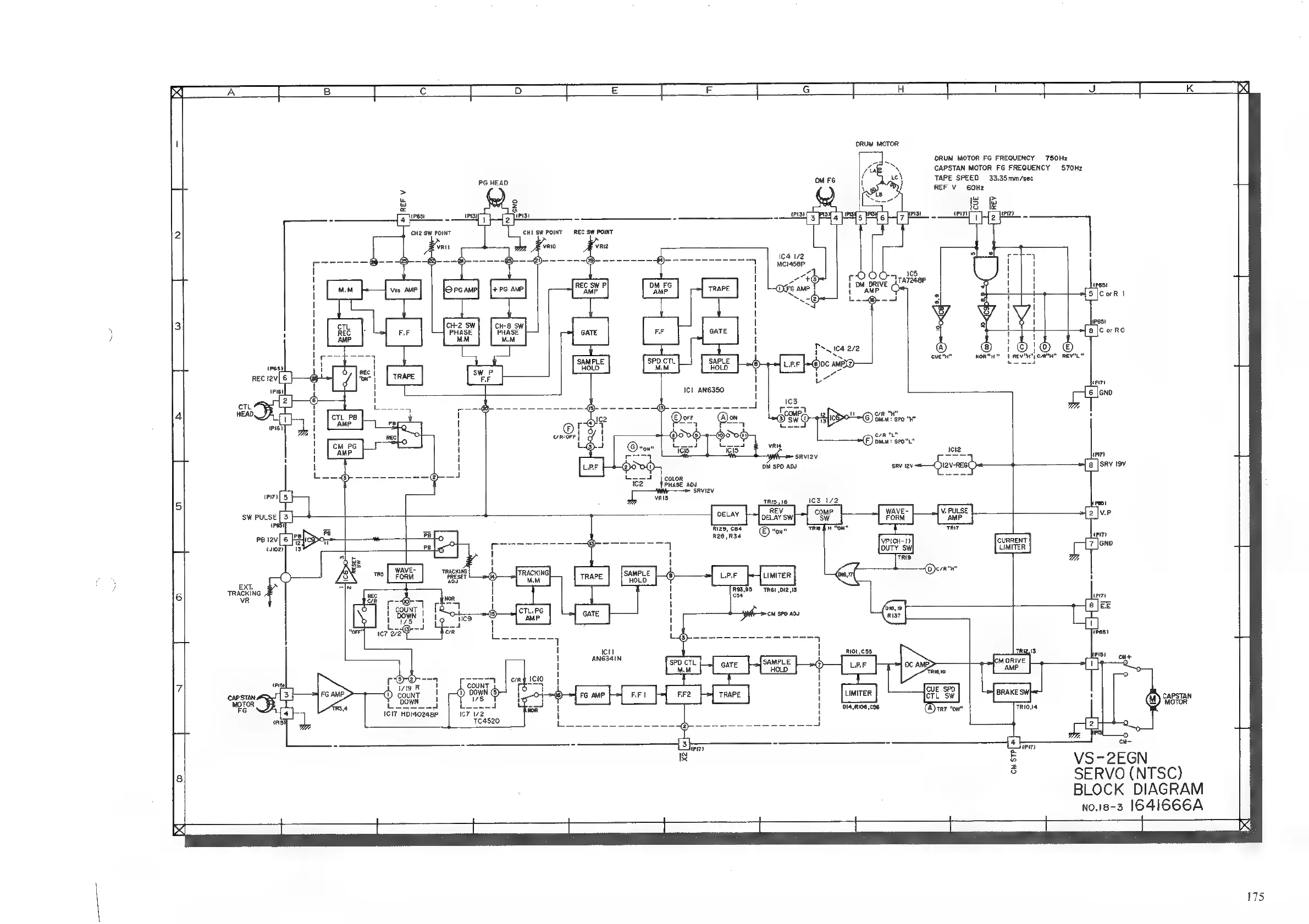
DRUM
MOTOR
DRUM
MOTOR
FG
FREQUENCY
750Hz
CAPSTAN
MOTOR
FG
FREQUENCY
570Hz
TAPE
SPEED
33:35mm/sec
FS
TEAD
REF
V
60Hz
(P65)
ch2
Sw
POINT
CHI
Sw
POINT
REC
SW
POINT
cue*H"
teiz
sRvi2v
om
4
Di
SPO
ADU SRV
I2v
hiv
ne60=
$+
TRIS
16
Ic3
1/2
REV.
OM
‘SW
PULSE
|
3
DELAY
DELAY
SW
oor
Rio,
coe
vow
TRB
BH
TON
neeinss
©"
PHASE
ADJ
SRVIZV
1
‘SAMPLE
@
5
+H
wath
LPF
LIMITER
EXT.
TRACKING
RoE
THEI,
I3
VR
I
1
1
1
1
|
L
Ic
ANG34IN
719
R
o)
ue
LIMITER
N
ON
4
14
RI06
C36
cir
HoIaozaep
|
1c7
172
14520
VS-2EGN
SERVO
(NTSC)
BLOCK
DIAGRAM
no.18-3
IG4I666A
175

Related product manuals