EasyManua.ls Logo

Allen-Bradley CompactLogix 5480 - Page 15

Allen-Bradley CompactLogix 5480
24 pages
To Next Page IconTo Next Page
To Next Page IconTo Next Page
To Previous Page IconTo Previous Page
To Previous Page IconTo Previous Page
Loading...
Rockwell Automation Publication 5069-IN019C-EN-P - October 2018 15
CompactLogix 5480 Controller
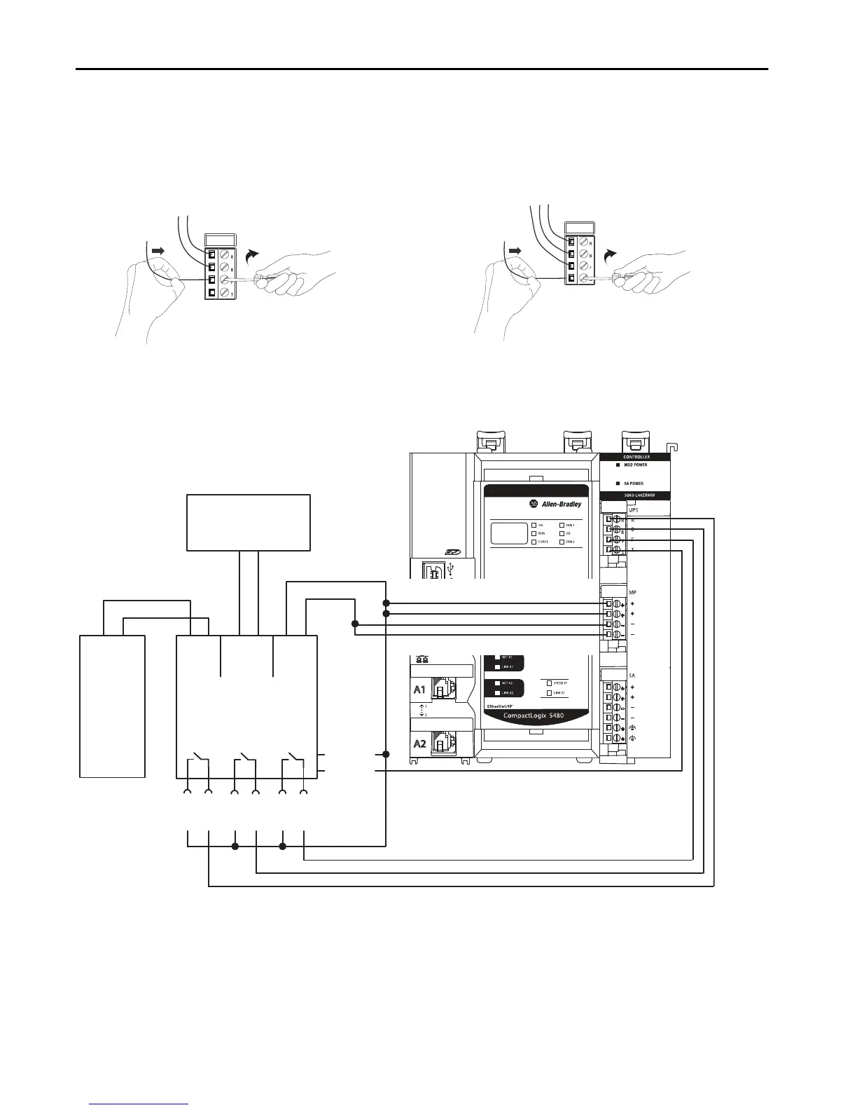
3. Connect a wire from the Battery Fail (6) connection on the
UPS to the Battery Fail terminal on the UPS control RTB.
a. Insert the wire into the terminal.
b. Turn the screwdriver to close the terminal on the wire.
The screw torque is 0.4 N•m (3.5 lb•in).
4. Connect a wire from the Inhibit (8) connection on the UPS to
the Inhibit terminal on the UPS control RTB.
a. Insert the wire into the terminal.
b. Turn the screwdriver to close the terminal on the wire.
The screw torque is 0.4 N•m (3.5 lb•in).
This diagram shows a 1606-XLS240-UPS power supply battery that is connected to a CompactLogix 5480 controller.
UPS Ready
Buffering
Battery Fail
Inhibit
(7) Inhibit +
(8) Inhibit –
24V DC
Power
Supply
Ready
(1) (2)
+–
+– +– +–
NLPE
Buffering
(3) (4)
Battery Fail
(5) (6)
12V DC Battery
(for example, 1606-XLSBATASSY1)
+–
DC-UPS
(1606-XLS240-UPS)
24V
IN
12V
BAT
24V
OUT

Other manuals for Allen-Bradley CompactLogix 5480

Related product manuals