EasyManua.ls Logo

Allen-Bradley PowerFlex 70 - Page 63

Allen-Bradley PowerFlex 70
300 pages
Print Icon
To Next Page IconTo Next Page
To Next Page IconTo Next Page
To Previous Page IconTo Previous Page
To Previous Page IconTo Previous Page
Loading...
Block Diagrams 2-35
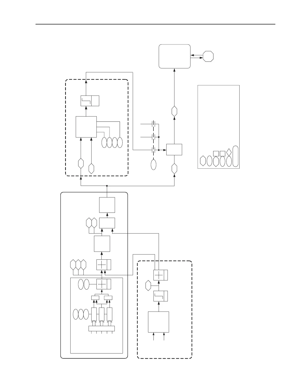
Figure 2.2 PowerFlex 700VC Block Diagams (2)
PowerFlex 700V
C
Block Diagram
s
Read Only Parameter
Read / Write Parameter
Read Only Parameter with Bit Enumeration
Read / Write Parameter with Bit Enumeration
Provides additional information
Read Testpoint with Data Select Value
Encoder
PI Excl
Mode
PI Regulator
446
445
Kp Speed Loop
Ki Speed Loop
25
Speed Feedback
(From Encoder)
Speed Control - Regulator (1.0ms)
Speed Reference
449
Speed Desired BW
23
447
Kf Speed Loop
V/Hz
Current
Processing
Motor
+
Slip Comp
Output Freq
80
Open Loop
310
Limit
1.5*Rated Slip
23 1
Speed Reference
Feedback Select
V/Hz Mode with Speed Control
Linear
Ramp &
S Curve
Min/Max
Limits
Commanded Speed
2
Speed Ref Selection
Speed Ref A Sel
117
90
93
+
Analog 1/2
Enc/Pulse
MOP
Presets 1-7
DPI Port 1-6
Spd Ref A
Spd Ref B
Tr im
S
O
U
R
C
E
S
+
Speed Ref B Sel
Trim In Select
272
2
Commanded Freq
Drive Ref Rslt
22
273
Ramped Speed
Drive Ramp Rslt
+
Logic
1 0
0 1
Speed Control - Reference (2.0ms)
Logic
1 0
0 1
100
108
Jog Speed 1
Jog Speed 2
PI Regulator
PI Reference
PI Feedback
Limit
Process Control (2ms)
138
PI Output Meter
Logic
1 0
0 1

Table of Contents

Other manuals for Allen-Bradley PowerFlex 70

Related product manuals