EasyManua.ls Logo

Alpha-InnoTec L8 SPLIT - Page 76

Alpha-InnoTec L8 SPLIT
112 pages
Print Icon
To Next Page IconTo Next Page
To Next Page IconTo Next Page
To Previous Page IconTo Previous Page
To Previous Page IconTo Previous Page
Loading...
SPLIT72
Miscellaneous
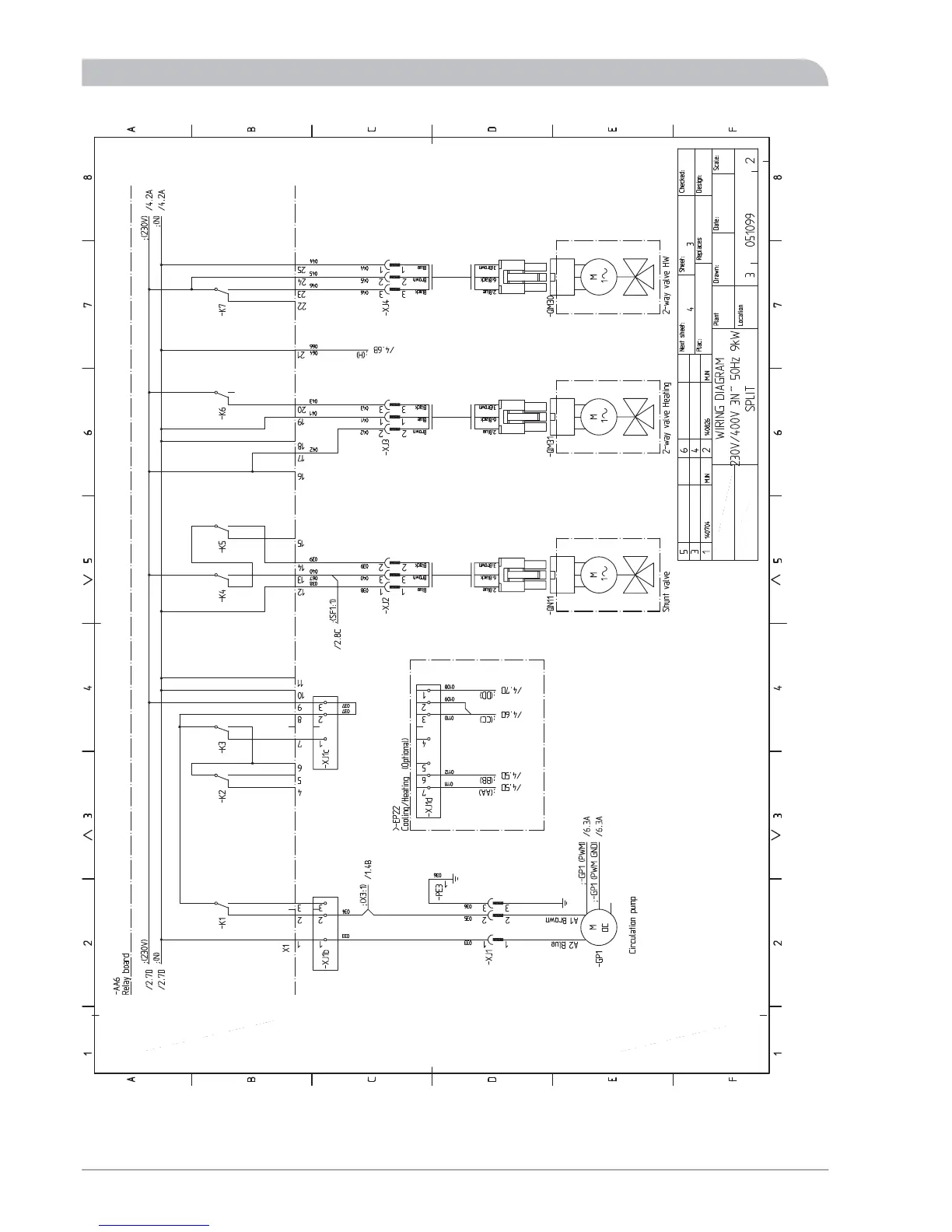
Electrical circuit diagram

Table of Contents

Related product manuals