EasyManua.ls Logo

Alpha ALPHA6000 Series - Page 38

Alpha ALPHA6000 Series
243 pages
Print Icon
To Next Page IconTo Next Page
To Next Page IconTo Next Page
To Previous Page IconTo Previous Page
To Previous Page IconTo Previous Page
Loading...
Chapter 2 Installation and Wiring
http://www.acdrive-china.com
38
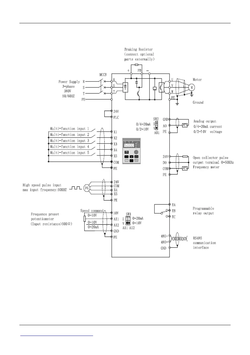
Fig 2-33 3R75GB3004GB Wiring diagram

Table of Contents

Related product manuals