EasyManua.ls Logo

Alpha ALPHA6000 Series - Page 39

Alpha ALPHA6000 Series
243 pages
Print Icon
To Next Page IconTo Next Page
To Next Page IconTo Next Page
To Previous Page IconTo Previous Page
To Previous Page IconTo Previous Page
Loading...
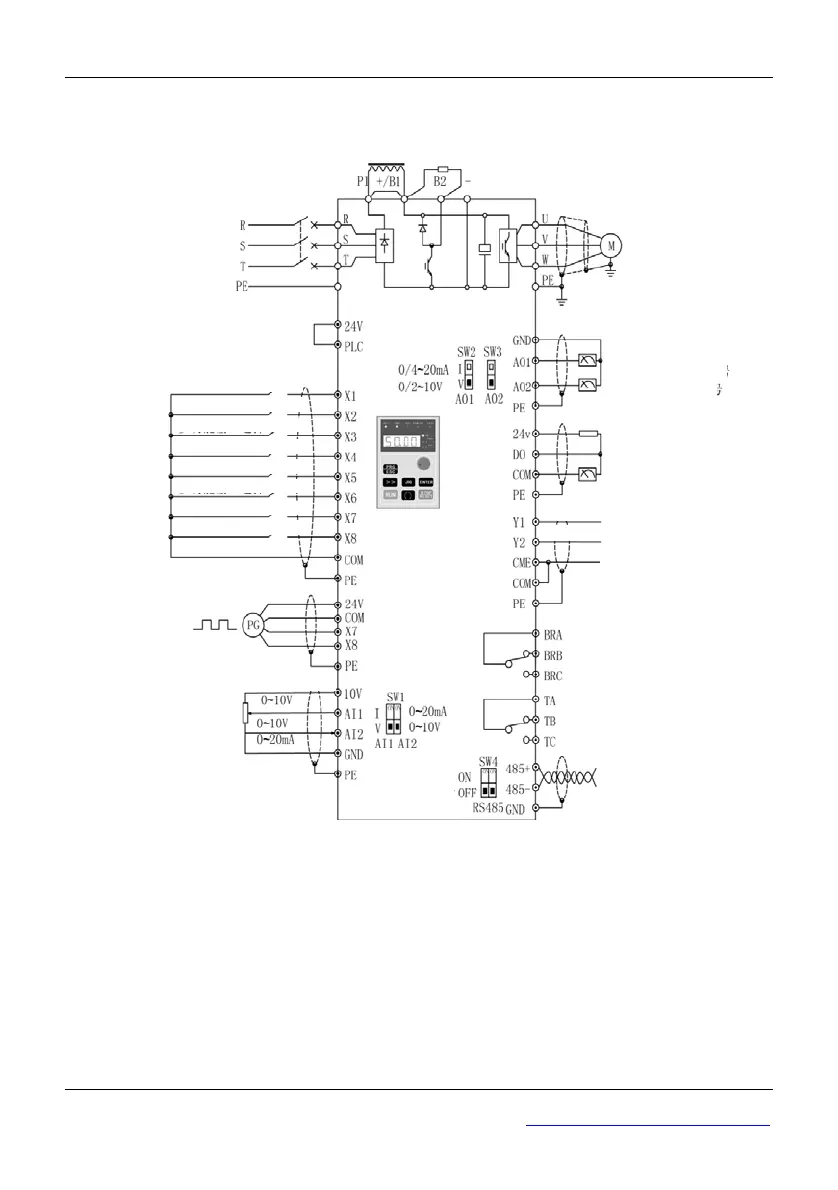
Chapter 2 Installation and Wiring
http://www.acdrive-china.com
39
Power Supply
3-phase
380V
50/60Hz
MC
DC reactor
(connect optional
parts externally)
Braking Resistor
(connect optional
parts externally)
Motor
Analog output
4~20mA current
2~10 V voltage
Open collector pulse
output terminal 0~50Khz
Multi-function input 1
Bi-direction open
collector output
Output1
Ground
Programmable
relay output
Common terminal
RS485 communication
interface
keyboard
Frequency Reference
Frequence preset
potentiometer
(Input resistance
>500 kΩ)
High speed pulse input
Ground
Max input
frequency:
50 KHz
Output2
Multi-function input 2
Multi-function input 3
Multi-function input 4
Multi-function input 5
Multi-function input 6
Multi-function input 7
Multi-function input 8
Programmable
relay output
Frequency meter
Fig 2-34 35R5GB/37R5PB3015GB/3018PB Wiring diagram

Table of Contents

Related product manuals