EasyManua.ls Logo

Alpha ALPHA6000 Series - Page 40

Alpha ALPHA6000 Series
243 pages
Print Icon
To Next Page IconTo Next Page
To Next Page IconTo Next Page
To Previous Page IconTo Previous Page
To Previous Page IconTo Previous Page
Loading...
Chapter 2 Installation and Wiring
http://www.acdrive-china.com
40
Power Supply
3-phase
380V
50/60Hz
MC
DCL DC reactor
(connect externally,optional
parts for 3132GB/3160PB or below)
Braking resistor
or braking unit
Motor
Analog output
4~20mA current
2~10V voltage
Open collector pulse
output terminal 0~50Khz
Multi-function input 1
Bi-direction open
collector output
Output1
Ground
Programmable
relay output
Common terminal
RS485 communication
interface
keyboard
Frequency Reference
Frequence preset
potentiometer
(Input resistance
>500 kΩ)
High speed pulse input
Ground
Max input
frequency:
50 KHz
Output2
Multi-function input 2
Multi-function input 3
Multi-function input 4
Multi-function input 5
Multi-function input 6
Multi-function input 7
Multi-function input 8
Programmable
relay output
Frequency meter
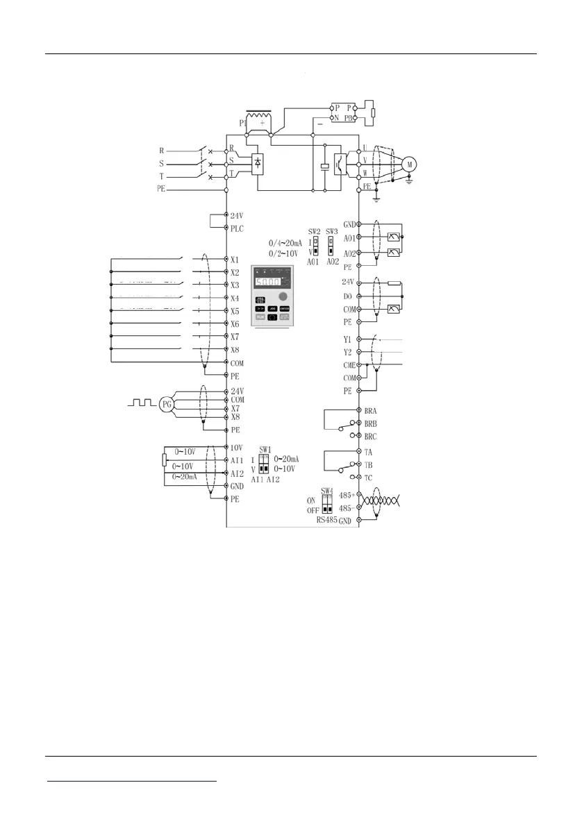
Fig 2-35 3018G/3022P3500G Wiring diagram
Notes:
1. Analog signal input to AI1/AI2 (voltage or current) can be selected by
Data-chosen-switch, the default is voltage input. You can refer P4.00P4.10 to
set the range.
2. Max output current of control circuit terminal 10 V is 30 mA.
3. The cable between PLC and 24 V terminals should be connected firmly
(S2R4GB3004GB should be sure to disconnect the cable JP1 between PLC and
24 V; 35R5GB/37R5PB3500G should be sure to disconnect the cable between
PLC and 24V), otherwise input terminals X1-X8 couldn’t work properly(in

Table of Contents

Related product manuals