EasyManua.ls Logo

Alpine 9861 - DVA - DVD Player - Raccordements

Alpine 9861 - DVA - DVD Player
208 pages
Print Icon
To Next Page IconTo Next Page
To Next Page IconTo Next Page
To Previous Page IconTo Previous Page
To Previous Page IconTo Previous Page
Loading...
65-FR
01FR06DVA9861.fm
ALPINE DVA-9861 68-04123Z61-A (FR)
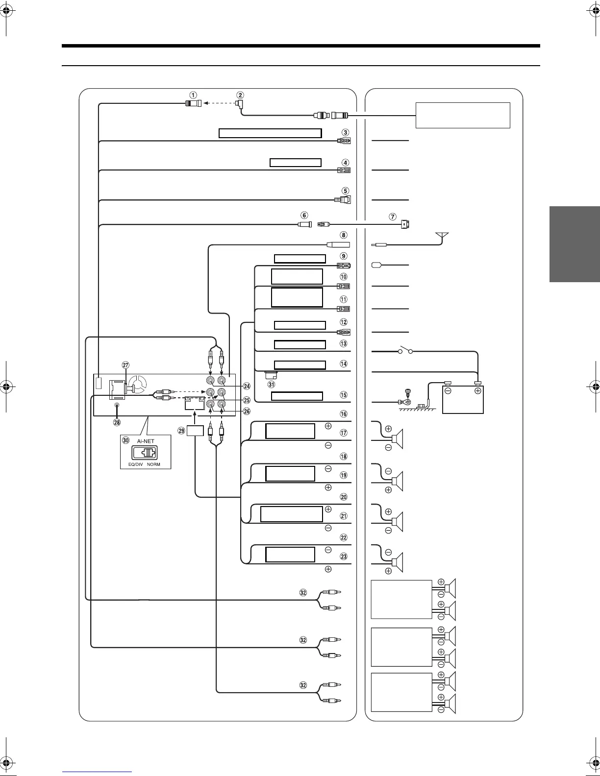
Raccordements
ENTREE DE LA TÉLECOMMANDE
Blanc/Brun
M. CONT
Blanc/Rose
Vers fil de sortie de la
télécommande
Vers fil de commande du
moniteur
Vers borne d’entrée vidéo
Changeur CD
(vendu séparément)
Antenne
ANTENNE
Vers l’antenne électrique
MISE EN SERVICE
À DISTANCE
Bleu/Blanc
Bleu
Rose/Noir
ENTRÉE
D’INTERRUPTION
AUDIO
ÉCLAIRAGE
Orange
ALLUMAGE
Rouge
BATTERIE
Jaune
TERRE
Noir
Vers l’amplificateur ou
l’égaliseur
Au téléphone du véhicule
Vers le fil d’éclairage du
combiné d’instruments
Clé de contact
Batterie
Vers l’iPod
Gris
ENCEINTE AVANT
DROITE
Gris/Noir
Violet/Noir
ENCEINTE
ARRIÈRE DROITE
Violet
Vert
ENCEINTE ARRIÈRE
GAUCHE
Ver t/Noir
Blanc/Noir
ENCEINTE
AVANT GAUCHE
Blanc
Enceintes
Avant droit
Arrière droit
Arrière gauche
Avant gauche
Enceintes
Amplificateur
Amplificateur
Amplificateur
Arrière gauche
Arrière droit
Avant gauche
Avant droite
Enceintes
d’extrêmes-
graves
01FR00DVA9861.book Page 65 Tuesday, December 6, 2005 3:43 PM

Table of Contents

Related product manuals