EasyManua.ls Logo

Alpine 9861 - DVA - DVD Player - Conexiones

Alpine 9861 - DVA - DVD Player
208 pages
Print Icon
To Next Page IconTo Next Page
To Next Page IconTo Next Page
To Previous Page IconTo Previous Page
To Previous Page IconTo Previous Page
Loading...
65-ES
01ES06DVA9861.fm
ALPINE DVA-9861 68-04123Z61-A (ES)
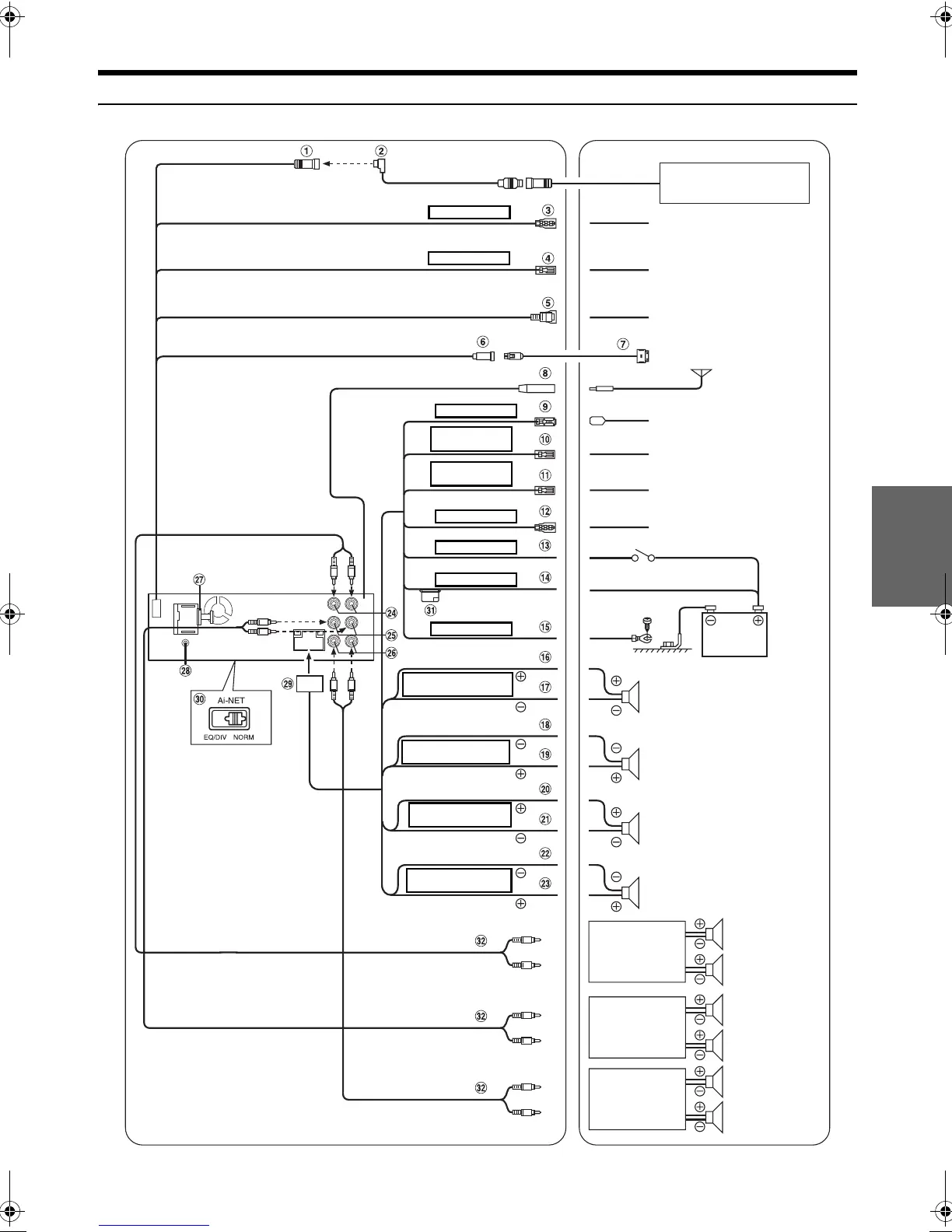
Conexiones
ENTRADA
Blanco/Marrón
M. CONT
Blanco/Rosa
Al cable de salida remota
Al cable de control del
monitor
Al terminal de entrada de
vídeo
Cambiador de CD
(se vende por separado)
Antena
ANTENA
A la antena eléctrica
ACTIVACIÓN
AUTOMÁTICA
Azul / Blanco
Azul
Rosa / Negro
ENTRADA DE
INTERRUPCIÓN
ILUMINACIÓN
Naranja
ENCENDIDO
Rojo
PILAS
Amarillo
MASA
Negro
Al amplificador o al
ecualizador
Al teléfono del vehículo
Al cable de iluminación del
conjunto de instrumentos
Llave de contacto
Pilas
Al iPod
Gris
ALTAVOZ DELANTERO
DERECHO
Gris / Negro
Violeta / Negro
ALTAVOZ
POSTERIOR DERECHO
Violeta
Verde
ALTAVOZ POSTERIOR
IZQUIERDO
Verde / Negro
Blanco / Negro
ALTAVOZ
DELANTERO IZQUIERDO
Blanco
Altavoces
Derecho delantero
Derecho posterior
Izquierdo posterior
Izquierdo delantero
Altavoces
Amplificador
Amplificador
Amplificador
Posterior
izquierda
Posterior
derecha
Delantero
izquierda
Delantero
derecha
Subwoofers
01ES00DVA9861.book Page 65 Tuesday, December 6, 2005 3:46 PM

Table of Contents

Related product manuals