EasyManua.ls Logo

Alpine TUE-DAB1U - Systemanschlüsse

Alpine TUE-DAB1U
74 pages
Print Icon
To Next Page IconTo Next Page
To Next Page IconTo Next Page
To Previous Page IconTo Previous Page
To Previous Page IconTo Previous Page
Loading...
26-DE
Mit einem berührungsempndlichen Alpine-Bildschirm :
Hinweis: Einzelheiten dazu, wie Sie die Touch-Bedienung aktivieren, nden Sie im Abschnitt „Einstellen
des AUX-Modus“ in der Bedienungsanleitung Ihres Alpine-Hauptgeräts. Der Modus sollte auf „USB Video“
gestellt werden.
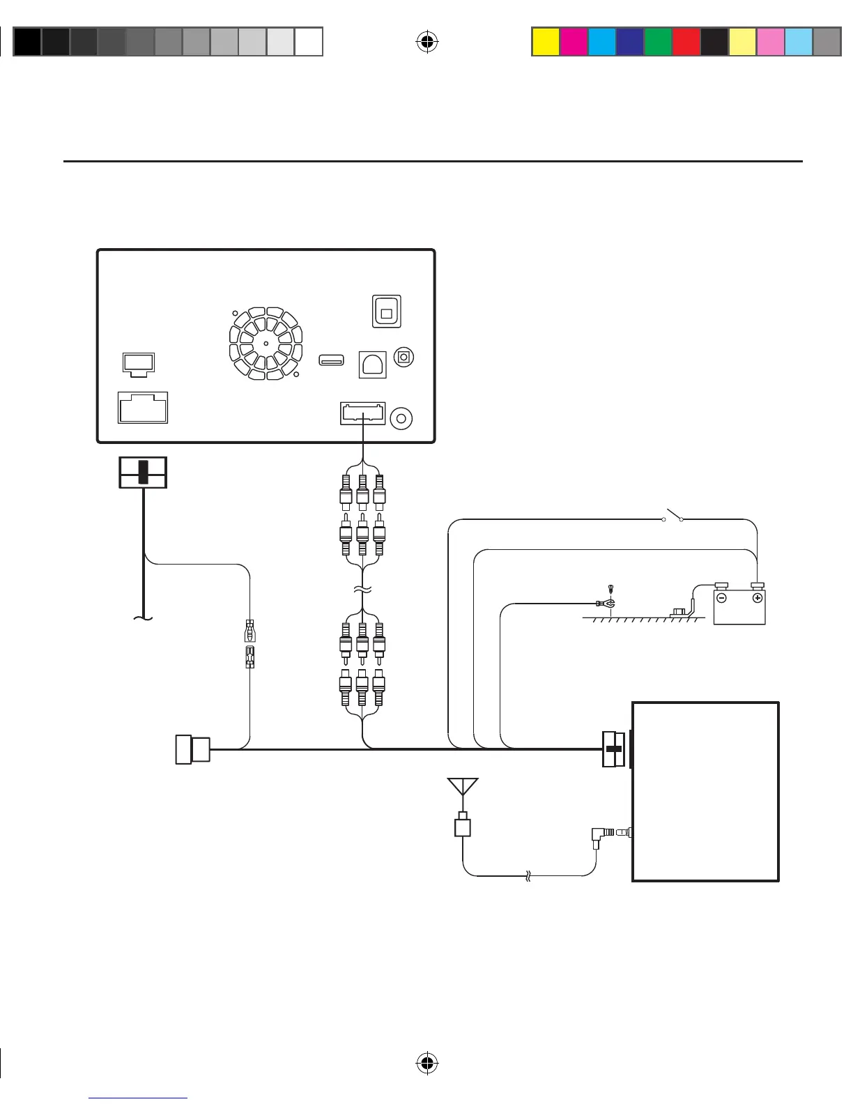
Systemanschlüsse
Power/AV/IR Port
Antenne
Strom-LED USB Reset
a
TUE-DAB1U
MASSE
+12 V
ACC
Batterie
ZÜNDSCHLÜSSEL
HU-ANSCHLUSS
ALPINE HAUPTEINHEIT
AUX INPUT
IR (TOUCH)
FERNBEDIENUNGSAUSGANG
(separat verkauft)
AV ERWEITERUNG
DAB ANTENNE
IR-EMPFÄNGER
AUX OUTPUT
LP13-0113_Alpine_TUE-DAB1U_ML.indb 26 7/12/2013 6:59:48 PM

Table of Contents